宽带跨导型运算放大和缓冲器OPA660共集电极(共-C)放大电路

📅 发布时间:2013-10-06 20:50 👁️ 浏览:0 🏷️ 标签: OPA 660 宽带 共集电极

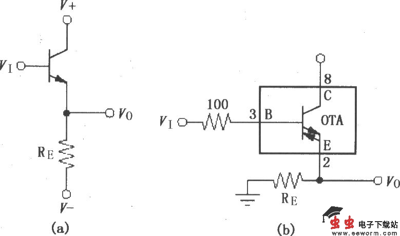
宽带跨导型运算放大和缓冲器OPA660共集电极(共-C)放大电路

如图所示为OPA660共集电极(共-C)放大电路,G=1。(a)图为分立元件共集电极放大器,Vos=0.7V;(b)图为由OPA660构成的共集电极放大器(缓冲器),Vos=0V。

觉得这篇文章有帮助吗?