宽带跨导型运算放大和缓冲器OPA660的共基极(共-B)放大电路

📅 发布时间:2013-10-06 20:55 👁️ 浏览:0 🏷️ 标签: OPA 660 宽带 共基

宽带跨导型运算放大和缓冲器OPA660的共基极(共-B)放大电路

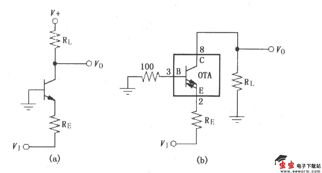
如图所示为OPA660的共基极(共-B)放大电路。(a)图为分立元件共基极放大器,Vo为同相增益,Vos为几伏;(b)图为由OPA660构成的共基极放大器。Vo为反相增益,Vos=0V。

宽带跨导型运算放大和缓冲器OPA660的共基极(共-B)放大电路 

觉得这篇文章有帮助吗?