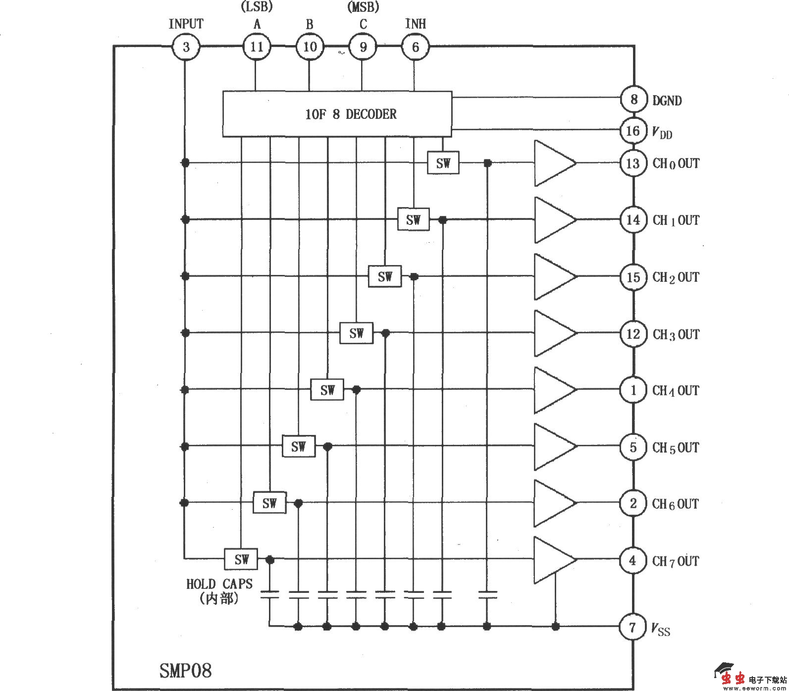
SMP08/18是一个单片八采样保持放大器,它有8个内部精密缓冲放大器和内部保持电容。采用先进的氧化物绝缘CMOS技术构成的数据采集和信号处理系统,获得所需的高精度、低下降率和快速采样时间。SMP08/18线性误差典型值仅为0.01%,该器件可以在低于7μs内获得10bit输入达±1/2LSB。SMP08/18可以单电源或双电源工作,兼容TTL/CMOS逻辑,输出摆幅包含了负电源。SMP08/18为系统特定设计在于用一个校准环去调节多路分配器的系统参数。低价格和高性能水平使得其成为专用集成电路(ASIC)和高价位多路D/A变换器的理想选择。SMP08/18也是宽变化范围的采样保持,包括放大器失调和VCA增益调节应用的理想选择。可以将其中一个或多个采样保持放大器用于单路或多路DACs,以在系统内提供多路调整点。SMP08/18对于采用分立设计整个系统的意义在于其价格和尺寸的降低,采用16脚DIP封装或表面SOIC封装。SMP08/18的引脚排列如图所示。

内部框图: