输入电流I1为正时的对数变换功能电路(对数放大器4127)

📅 发布时间:2013-10-06 18:15 👁️ 浏览:3 🏷️ 标签: 4127 输入电流 对数

输入电流I1为正时的对数变换功能电路(对数放大器4127)

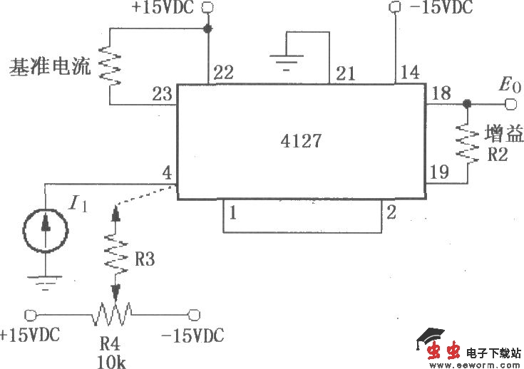
如图所示为信号I1以电流形式输入,且I1为正时的输出对数变换功能电路。当输入I1以如图

输入电流I1为正时的对数变换功能电路(对数放大器4127) 

觉得这篇文章有帮助吗?