⭐ 欢迎来到虫虫下载站! | 📦 资源下载 📁 资源专辑 ℹ️ 关于我们
⭐ 虫虫下载站
🔐 登录 📝 注册
虫虫下载站
虫虫下载站
专业电子工程师资源平台
📤 上传资源
  • 🏠 首页
  • 📦 资源下载
  • 📁 资源专辑
  • 🔧 热门软件
  • ⭐ 精品资源
  • 🎓 基础知识
  • 📐 电路图
  • 📚 电子书
  • 🔢 在线计算器
  • 🔍 代码搜索
🏠 首页 › 📐 电路图 › 报警电路

📐 报警电路

📊 共 584 个电路图 🎨 设计参考
门铃报警器电路图

门铃报警器

📅 01-01 查看 →
报警电子狗电路图

报警电子狗

📅 01-01 查看 →
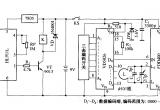
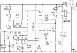
人体红外热释报警器电路图

人体红外热释报警器

📅 01-01 查看 →
热释电红外传感器组成的报警电路电路图

热释电红外传感器组成的报警电路

📅 01-01 查看 →
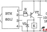
BTH-801F/BTH-801J红外遥控发射、接收模块应用电路图电路图

BTH-801F/BTH-801J红外遥控发射、接收模块应用电路图

📅 01-01 查看 →
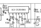
扩频滚码无线跟踪报警组件(KB318/KB318R)电路图

扩频滚码无线跟踪报警组件(KB318/KB318R)

📅 01-01 查看 →
超声波防盗报警探测器电路图

超声波防盗报警探测器

📅 01-01 查看 →
高灵敏声控报警器电路图

高灵敏声控报警器

📅 01-01 查看 →
蔬菜果园防盗报警器电路图

蔬菜果园防盗报警器

📅 01-01 查看 →
八路无线防盗报警系统电路图

八路无线防盗报警系统

📅 01-01 查看 →
热释电探测无线防盗系统电路图

热释电探测无线防盗系统

📅 01-01 查看 →
十五路无线防盗报警系统(FDD5/JDD5)电路图

十五路无线防盗报警系统(FDD5/JDD5)

📅 01-01 查看 →
由FDD400/JDD400组成的多路报警系统电路图

由FDD400/JDD400组成的多路报警系统

📅 01-01 查看 →
防触电语言告诫电路电路图

防触电语言告诫电路

📅 01-01 查看 →
物品防遗失报警器(RCMlA/RCMlB构成收发模块)电路图

物品防遗失报警器(RCMlA/RCMlB构成收发模块)

📅 01-01 查看 →
利用RD627组成的家庭卫士----电子狗电路图

利用RD627组成的家庭卫士----电子狗

📅 01-01 查看 →
利用RD627构成的微波报警电路电路图

利用RD627构成的微波报警电路

📅 01-01 查看 →
抗干扰雷达防盗报警器电路图

抗干扰雷达防盗报警器

📅 01-01 查看 →
微波防盗报警器2电路图

微波防盗报警器2

📅 01-01 查看 →
旅行包防遗失报警器电路电路图

旅行包防遗失报警器电路

📅 01-01 查看 →
电子警犬式报警电路电路图

电子警犬式报警电路

📅 01-01 查看 →
红外探测语言警示器电路图

红外探测语言警示器

📅 01-01 查看 →
超声波防盗报警探测器电路电路图

超声波防盗报警探测器电路

📅 01-01 查看 →
T/R-40系列通用型超声波发射/接收传感器电路图电路图

T/R-40系列通用型超声波发射/接收传感器电路图

📅 01-01 查看 →
小麦播种机颗粒堵塞报警器电路电路图

小麦播种机颗粒堵塞报警器电路

📅 01-01 查看 →
红外防盗报警器电路电路图

红外防盗报警器电路

📅 01-01 查看 →
红外探测防触电告警器电路电路图

红外探测防触电告警器电路

📅 01-01 查看 →
门窗红外监视防盗报警器电路电路图

门窗红外监视防盗报警器电路

📅 01-01 查看 →
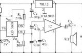
超声波报警器电路图

超声波报警器

📅 01-01 查看 →
电子自动门与报警器两用电路电路图

电子自动门与报警器两用电路

📅 01-01 查看 →
  • 首页
  • « 上一页
  • 1
  • 2
  • 3
  • 4
  • 5
  • 6
  • 7
  • 8
  • 9
  • 10
  • 下一页 »
  • 末页
🔐 用户登录
加载中...

加载登录表单中...

🎁 免费注册送10积分
加载中...

加载注册表单中...

🔑 找回密码
加载中...

加载表单中...

🔐 需要登录
🔒

登录后即可使用!

🎁 新用户注册立即送10积分
积分可用于下载资源,免费获取优质技术资料
🚪 退出登录
👋

确认要退出登录吗?

退出后需要重新登录才能下载资源

关于虫虫

虫虫下载站是专业的电子工程师资源分享平台,汇聚 622,478+ 优质资源,为工程师提供免费、专业的技术资料。

🌐

快速链接

  • 📦 资源下载
  • 📁 资源专辑
  • 📐 电路图库
  • 📚 电子书籍
  • 🧮 在线计算器

帮助中心

  • 📋 服务条款
  • ℹ️ 关于我们
  • ⚠️ 免责声明
  • 🗺️ 网站地图

联系我们

扫码关注我们

虫虫下载站二维码

虫虫小帮手

© 2011-2025 虫虫下载站 - 专业的电子工程师资源分享平台 | 让技术资源触手可及

京ICP备2021023401号-1