T/R-40系列通用型超声波发射/接收传感器电路图

📅 发布时间:2013-09-26 21:25 👁️ 浏览:0 🏷️ 标签: 40 超声波 发射 传感器

T/R-40系列超声波传感器是利用压电效应工作的传感器,通常我们又称之为换能器。此类传感器最适用于防盗报警和遥控使用。

T/R-40系列通用型超声波发射/接收传感器电路图 

T/R-40-XX系列超声波传感器外形、尺寸及电路符号

T/R-40系列通用型超声波发射/接收传感器电路图 

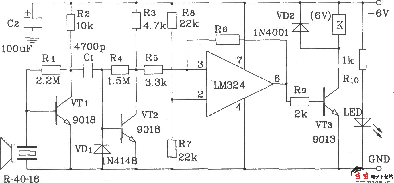
分立元件构成的超声波发射电路 T/R-40-16便可发射出一串40kHz的超声波信号。此电路工作电压9V,工作电流25mA,控制距离可达8m。

T/R-40系列通用型超声波发射/接收传感器电路图 

555构成的超声波发射电路 从555的3脚输出的40kHz的振荡脉冲驱动T-40-16工作,使之发射出40kHz的超声波信号。电路工作电压为9V,工作电流为40~45mA,控制距离大于8m。

T/R-40系列通用型超声波发射/接收传感器电路图 

双稳态超声波接收电路

T/R-40系列通用型超声波发射/接收传感器电路图 

通用型超声波接收电路

觉得这篇文章有帮助吗?