电子警犬式报警电路

📅 发布时间:2013-09-27 02:55 👁️ 浏览:1 🏷️ 标签: 电子警犬 报警电路

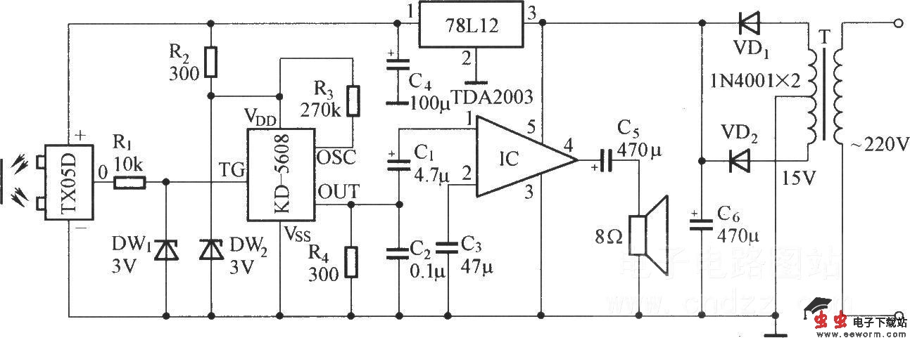
电子警犬式报警电路

该电路由发射式红外控制组件(TX05D),犬声发声电路(KD5608),音频功放(TDA2003)和电源电路组成.

觉得这篇文章有帮助吗?