
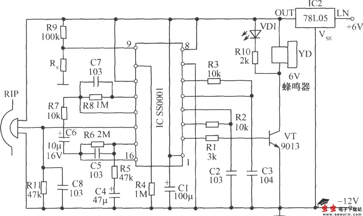
如图所示的人体红外热释报警器能够在白天或黑夜接收人体发出的热释红外线进行声、光报警,是非常理想的电子门卫。
工作原理:电路采用进口IC,通用型传感器控制电路,高输入阻抗运算放大,内设时间定时器、闩锁定时器,调节范围宽,工作电压3.5V~5V,静态电流60μA,可使用3节~4节1.5V电池或6V~12V整流器。热释红外传感器RIP09接收到人体热释信号后经IC内第一级运放将信号处理放大,然后由C6耦合给第二级运放再放大,后送到内置的比较器进行双向鉴幅,检出有效的触发信号,经R1至VTl去控制YD蜂鸣器或警号发出响声,如果需要指示灯光,要安装Rl0、VDl发光二极管,R2、C2是延时控制,如果需要长一点工作时间,可加大R2电阻值或C2电容值,该电路设置为3s~4s。R3、C3用作闩锁时间。Cl是电源滤波,R9、Rx是触发禁止端偏置电阻,可设置电路在白天或黑夜的工作要求,如果需要在夜晚工作、可安装R9、Rx于电路,若需要全天候工作,只要在电路中不装Rx光敏电阻就可以了。