⭐ 欢迎来到虫虫下载站! | 📦 资源下载 📁 资源专辑 ℹ️ 关于我们
⭐ 虫虫下载站
🔐 登录 📝 注册
虫虫下载站
虫虫下载站
专业电子工程师资源平台
📤 上传资源
  • 🏠 首页
  • 📦 资源下载
  • 📁 资源专辑
  • 🔧 热门软件
  • ⭐ 精品资源
  • 🎓 基础知识
  • 📐 电路图
  • 📚 电子书
  • 🔢 在线计算器
  • 🔍 代码搜索
🏠 首页 › 📐 电路图 › 报警电路

📐 报警电路

📊 共 584 个电路图 🎨 设计参考
超声波移动报警器电路图

超声波移动报警器

📅 01-01 查看 →
PIR人体热释电红外报警开关电路图

PIR人体热释电红外报警开关

📅 01-01 查看 →
JKH1-771A电梯警铃电路电路图

JKH1-771A电梯警铃电路

📅 01-01 查看 →
采用双向晶闸管的气体-烟雾报警电路电路图

采用双向晶闸管的气体-烟雾报警电路

📅 01-01 查看 →
采用热敏电阻的液面安全报警电路电路图

采用热敏电阻的液面安全报警电路

📅 01-01 查看 →
由集成电路接近开关控制的液面报警器电路电路图

由集成电路接近开关控制的液面报警器电路

📅 01-01 查看 →
孵蛋温度控制器(F007)电路图

孵蛋温度控制器(F007)

📅 01-01 查看 →
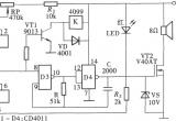
超温监测自动控制电路(CD4011)电路图

超温监测自动控制电路(CD4011)

📅 01-01 查看 →
液体点滴自动加温报警器电路电路图

液体点滴自动加温报警器电路

📅 01-01 查看 →
温度报警电路电路图

温度报警电路

📅 01-01 查看 →
厨房定时报警电路电路图

厨房定时报警电路

📅 01-01 查看 →
双表定时控制器(一)电路图

双表定时控制器(一)

📅 01-01 查看 →
声光控制报警器电路电路图

声光控制报警器电路

📅 01-01 查看 →
光耦合防盗报警器电路电路图

光耦合防盗报警器电路

📅 01-01 查看 →
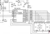
有报警功能的密码锁(CD4508、CD4070、CD4017、CD4072)电路图

有报警功能的密码锁(CD4508、CD4070、CD4017、CD4072)

📅 01-01 查看 →
有报警功能的密码开关(CD4017、CD4013)电路图

有报警功能的密码开关(CD4017、CD4013)

📅 01-01 查看 →
旅行包远离报警器(CD4069、T630)电路图

旅行包远离报警器(CD4069、T630)

📅 01-01 查看 →
物品防盗报警器(CD4011)电路图

物品防盗报警器(CD4011)

📅 01-01 查看 →
微波语言防盗报警器电路图

微波语言防盗报警器

📅 01-01 查看 →
由TX05C-R构成的红外监视报警器电路图

由TX05C-R构成的红外监视报警器

📅 01-01 查看 →
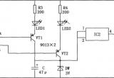
双限温报警器(TC602)电路图

双限温报警器(TC602)

📅 01-01 查看 →
防盗报警探测电路(CD4011)电路图

防盗报警探测电路(CD4011)

📅 01-01 查看 →
箱包防盗报警器(CD4046)电路图

箱包防盗报警器(CD4046)

📅 01-01 查看 →
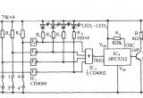
高灵敏度声控报警器电路电路图

高灵敏度声控报警器电路

📅 01-01 查看 →
煤气泄漏声光报警及自动排气装置电路电路图

煤气泄漏声光报警及自动排气装置电路

📅 01-01 查看 →
围栏断线语言报叫电路电路图

围栏断线语言报叫电路

📅 01-01 查看 →
触摸报警电路电路图

触摸报警电路

📅 01-01 查看 →
激光棒制成的探测报警装置电路电路图

激光棒制成的探测报警装置电路

📅 01-01 查看 →
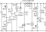
大范围激光防盗报警器电路图

大范围激光防盗报警器

📅 01-01 查看 →
多路激光防盗报警器电路电路图

多路激光防盗报警器电路

📅 01-01 查看 →
  • 首页
  • « 上一页
  • 1
  • 2
  • 3
  • 4
  • 5
  • 6
  • 7
  • 8
  • 9
  • 10
  • 下一页 »
  • 末页
🔐 用户登录
加载中...

加载登录表单中...

🎁 免费注册送10积分
加载中...

加载注册表单中...

🔑 找回密码
加载中...

加载表单中...

🔐 需要登录
🔒

登录后即可使用!

🎁 新用户注册立即送10积分
积分可用于下载资源,免费获取优质技术资料
🚪 退出登录
👋

确认要退出登录吗?

退出后需要重新登录才能下载资源

关于虫虫

虫虫下载站是专业的电子工程师资源分享平台,汇聚 622,478+ 优质资源,为工程师提供免费、专业的技术资料。

🌐

快速链接

  • 📦 资源下载
  • 📁 资源专辑
  • 📐 电路图库
  • 📚 电子书籍
  • 🧮 在线计算器

帮助中心

  • 📋 服务条款
  • ℹ️ 关于我们
  • ⚠️ 免责声明
  • 🗺️ 网站地图

联系我们

扫码关注我们

虫虫下载站二维码

虫虫小帮手

© 2011-2025 虫虫下载站 - 专业的电子工程师资源分享平台 | 让技术资源触手可及

京ICP备2021023401号-1