有报警功能的密码开关(CD4017、CD4013)

📅 发布时间:2013-10-02 14:40 👁️ 浏览:0 🏷️ 标签: CD 4017 4013 报警

有报警功能的密码开关(CD4017、CD4013)

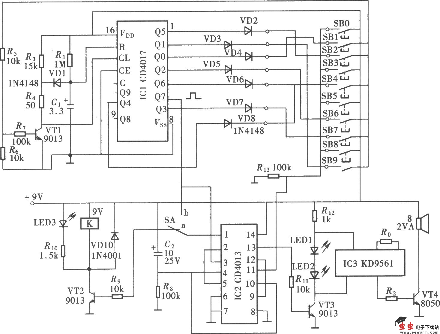
如图所示的密码开关由10位按键组成,其中有效按键6位,伪码键4位。由于有效按键可重复使用,该电路用它组成一个9位密码的密码开关。电路设有时控功能,当按动相邻按键时间超过3s,则所输入的有效码失效。此外电路中还具有报警功能,当按动伪码键后,便会触发报警电路发出报警声。电路组成如图所示,由密码输入开关、密码形成与输出电路、开关控制电路和报警电路组成。

觉得这篇文章有帮助吗?