超温监测自动控制电路(CD4011)

📅 发布时间:2013-10-03 12:15 👁️ 浏览:1 🏷️ 标签: 4011 CD 监测 自动控制电路

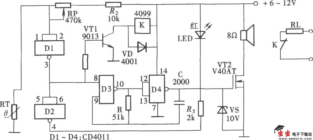
超温监测自动控制电路(CD4011)

该电路由一只与非门电路和一只热敏电阻组成测控电路和警笛声发生电路,由一只继电器作为执行电路。它结构简单制作容易,经济实用。电路组成如图所示。

觉得这篇文章有帮助吗?