
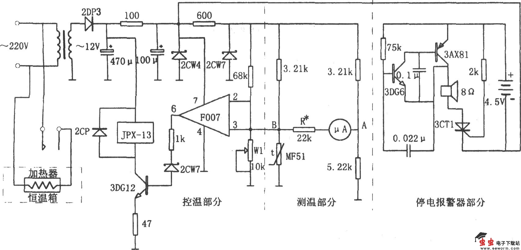
如图所示为孵蛋温度控制电路。该电路由测温电路、控温电路和停电报警电路等组成。测温电路为一个非平衡式电桥,并用50μA的表头进行指示。电桥的一臂是具有负温度系数、且灵敏度高的热敏电阻MF51。随着孵蛋恒温箱内温度的不同,MF51的阻值也随着变化,相应桥上A、B两点间的电位也随之变化.通过50ttA表头的指针变化来反映温度的变化。若采用分度值为0.1℃的标准水银温度计测量恒温箱内的温度,在50μA的表头的刻度盘上标明与电流相对应的温度值,则可由表头的电流指示来判断恒温箱内的温度。
控温电路包括电压比较器F007和功率驱动器3DG12。电位器W1用来设定温度,调节W1即可改变C点的电压。温度较低时,MF51对应的阻值很大,相应B点电压高于C点电压,即VBC>0。此时运算放大器F007输出正电压,使晶体管3DG12导通,继电器吸合,接通加热器电源,进行加热,恒温箱内温度升高。随着温度的上升,MF51的阻值减小,相应B点电位降低,当降到VBC<0时,F007翻转,输出负电压,使3DG12截止,继电器释放,断开加热器的电源电路,停止加热,恒温箱内温度停止上升。当温度再次降到VBC>0时,又重复加温,这样周而复始,把温度控制在设定值上。
报警电路由可控硅3CT1组成的电子开关和晶体管3DG6、3AX81组成的音响告警器组成。因2CW4稳压值为10V,当电网电压有电时,可控硅3CT1的控制极和阴极之间的电压VCT<0.3CT1截止l当电网电压断开时,VCT>0,3CT1导通,音响告警电路工作,发出断电报警。