双限温报警器(TC602)

📅 发布时间:2013-10-02 08:35 👁️ 浏览:1 🏷️ 标签: 602 TC 温报警器

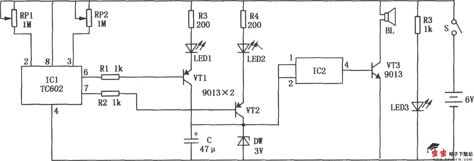
双限温报警器(TC602)

双限温报警器电路如图所示,主要由温度传感控制集成电路TC602、电子开关及声响语音发生器电路等组成。图中,IC2为集成语音电路。

觉得这篇文章有帮助吗?