⭐ 欢迎来到虫虫下载站! | 📦 资源下载 📁 资源专辑 ℹ️ 关于我们
⭐ 虫虫下载站
🔐 登录 📝 注册
虫虫下载站
虫虫下载站
专业电子工程师资源平台
📤 上传资源
  • 🏠 首页
  • 📦 资源下载
  • 📁 资源专辑
  • 🔧 热门软件
  • ⭐ 精品资源
  • 🎓 基础知识
  • 📐 电路图
  • 📚 电子书
  • 🔢 在线计算器
  • 🔍 代码搜索
🏠 首页 › 📐 电路图 › 报警电路

📐 报警电路

📊 共 584 个电路图 🎨 设计参考
直流电源欠压报警电路电路图

直流电源欠压报警电路

📅 01-01 查看 →
超温报警电路电路图

超温报警电路

📅 01-01 查看 →
超速招警电路电路图

超速招警电路

📅 01-01 查看 →
光强控制报警电路电路图

光强控制报警电路

📅 01-01 查看 →
遮光报警电路电路图

遮光报警电路

📅 01-01 查看 →
水开报警器电路电路图

水开报警器电路

📅 01-01 查看 →
实用电话防盗报警器电路电路图

实用电话防盗报警器电路

📅 01-01 查看 →
箱包防盗报警器(CD4046)电路电路图

箱包防盗报警器(CD4046)电路

📅 01-01 查看 →
多用袖珍双向报警器电路电路图

多用袖珍双向报警器电路

📅 01-01 查看 →
家用瓦斯报警器电路电路图

家用瓦斯报警器电路

📅 01-01 查看 →
家用防盗报警器电路电路图

家用防盗报警器电路

📅 01-01 查看 →
红外传感器的安全防范装置电路电路图

红外传感器的安全防范装置电路

📅 01-01 查看 →
多路防盗报警监视器(CD4011、CD4017)电路图

多路防盗报警监视器(CD4011、CD4017)

📅 01-01 查看 →
SN75454B构成的四路报警器电路图

SN75454B构成的四路报警器

📅 01-01 查看 →
禁烟与防火警示牌电路电路图

禁烟与防火警示牌电路

📅 01-01 查看 →
实用煤气泄漏报警器电路(CD4011)电路图

实用煤气泄漏报警器电路(CD4011)

📅 01-01 查看 →
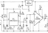
CW168新颖闪光报警集成电路典型应用电路电路图

CW168新颖闪光报警集成电路典型应用电路

📅 01-01 查看 →
由无线收发器组成的多用途报警器电路电路图

由无线收发器组成的多用途报警器电路

📅 01-01 查看 →
警报器控制键盘电路电路图

警报器控制键盘电路

📅 01-01 查看 →
晶体管电离报警电路电路图

晶体管电离报警电路

📅 01-01 查看 →
报警电路图电路图

报警电路图

📅 01-01 查看 →
SX-6型人体感应开关应用电路电路图

SX-6型人体感应开关应用电路

📅 01-01 查看 →
指触式大功率声光报警电路电路图

指触式大功率声光报警电路

📅 01-01 查看 →
火灾监测无线电报警电路电路图

火灾监测无线电报警电路

📅 01-01 查看 →
采用ND-1振动位移传感的语言报警电路电路图

采用ND-1振动位移传感的语言报警电路

📅 01-01 查看 →
烟雾报警器(Y976、QM-N10)电路图

烟雾报警器(Y976、QM-N10)

📅 01-01 查看 →
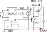
5G0602专用报警集成电路典型应用电路电路图

5G0602专用报警集成电路典型应用电路

📅 01-01 查看 →
具有可靠指示的报警灯电路电路图

具有可靠指示的报警灯电路

📅 01-01 查看 →
超温无线报警电路电路图

超温无线报警电路

📅 01-01 查看 →
四路防盗报警器(CD4011B)电路图

四路防盗报警器(CD4011B)

📅 01-01 查看 →
  • 首页
  • « 上一页
  • 1
  • 2
  • 3
  • 4
  • 5
  • 6
  • 7
  • 8
  • 9
  • 10
  • 下一页 »
  • 末页
🔐 用户登录
加载中...

加载登录表单中...

🎁 免费注册送10积分
加载中...

加载注册表单中...

🔑 找回密码
加载中...

加载表单中...

🔐 需要登录
🔒

登录后即可使用!

🎁 新用户注册立即送10积分
积分可用于下载资源,免费获取优质技术资料
🚪 退出登录
👋

确认要退出登录吗?

退出后需要重新登录才能下载资源

关于虫虫

虫虫下载站是专业的电子工程师资源分享平台,汇聚 622,478+ 优质资源,为工程师提供免费、专业的技术资料。

🌐

快速链接

  • 📦 资源下载
  • 📁 资源专辑
  • 📐 电路图库
  • 📚 电子书籍
  • 🧮 在线计算器

帮助中心

  • 📋 服务条款
  • ℹ️ 关于我们
  • ⚠️ 免责声明
  • 🗺️ 网站地图

联系我们

扫码关注我们

虫虫下载站二维码

虫虫小帮手

© 2011-2025 虫虫下载站 - 专业的电子工程师资源分享平台 | 让技术资源触手可及

京ICP备2021023401号-1