超温无线报警电路

📅 发布时间:2013-10-08 04:50 👁️ 浏览:1 🏷️ 标签: 无线 报警电路

本电路图所用到的元器件:

LM741 8050 FDD5 KD9562

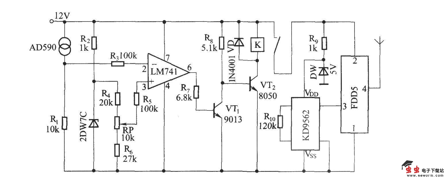
依靠现代电子技术,为一些在高温条件下工作的设备提供一套恒温控制装置,已是一件十分平常的事了。但是,在十分偶然的特殊情况下,当控制装置发生故障,控制功能失效时,如果安装了超温报警装置,就可以为这些设备提供又一套安全保障。超温自动无线电报警装置就是这样一套装置,当设备超过工作温度时,能自动发出超温报警信号,通知值班人员采取措施。

该电路由温度监测电路、无线电发射电路和无线电接收报警电路组成(未画出),如图所示。温度监测电路的作用是当温度超过设定温度标准时,能够接通无线电发射电路的工作电源,使发射电路发出报警信号。

觉得这篇文章有帮助吗?