多路防盗报警监视器(CD4011、CD4017)

📅 发布时间:2013-10-08 07:55 👁️ 浏览:2 🏷️ 标签: CD 4011 4017 多路

本电路图所用到的元器件:

CCD4011 CCD4017

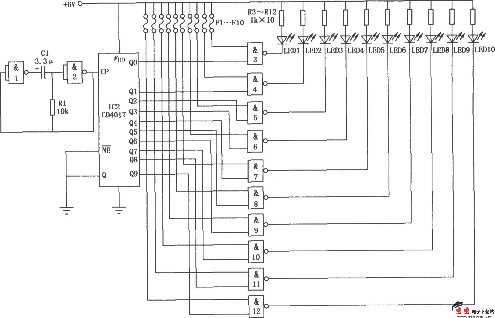
多路防盗报警监视器电路如图所示。它主要由CD4011和CD4017集成电路芯片构成,用指示灯报警和监察。该电路可对10个防盗监测点进行巡回监控,一旦某个监测点发生盗情,则设置在值班室的发光二极管(LED)监控台就能立即得到相应的报警信息

觉得这篇文章有帮助吗?