SN75454B构成的四路报警器

📅 发布时间:2013-10-08 07:20 👁️ 浏览:2 🏷️ 标签: 75454B 75454 SN 报警

本电路图所用到的元器件:

SSN75454B

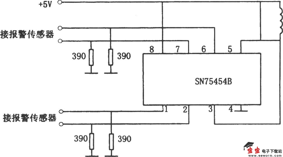
如图所示电路由外部双或非驱动器集成芯片SN75454B、四个不同报警传感器和电源电路等组成。其中芯片SN75454B是由美国得可萨斯仪器公司生产的产品。

当小偷的动作引起四个不同报警传感器中的任何一个发出报警逻辑信号时,报警继电器都会被吸合,发出报警信号。

电路中若采用两个SN75454B芯片,则可构成八路报警器。为满足需要。可采用多个SN75454B芯片构成更多路报警器。

觉得这篇文章有帮助吗?