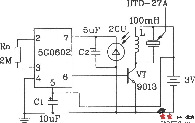
5G0602专用报警集成电路典型应用电路

📅 发布时间:2013-10-08 05:35 👁️ 浏览:2 🏷️ 标签: 5G0602 报警 典型 应用电路

本电路图所用到的元器件:

5G0602 9013

5G0602专用报警集成电路典型应用电路

图中的传感器为光敏管,把它换成热敏电阻,电路即为温度报警电路。依照此法,5G0602可构成各种各样的报警器。

觉得这篇文章有帮助吗?