家用瓦斯报警器电路

📅 发布时间:2013-10-08 08:35 👁️ 浏览:1 🏷️ 标签: 瓦斯 报警器电路

家庭使用液化气、煤气作燃料的越来越多,但是这些气体有害、易爆炸,隐患事故多,如气体泄漏时不能及时发现和处理,会给家庭及邻居带来灾难性危害。本文介绍的这种瓦斯报警器适用于天然气、煤气、液化石油气等泄漏报警。

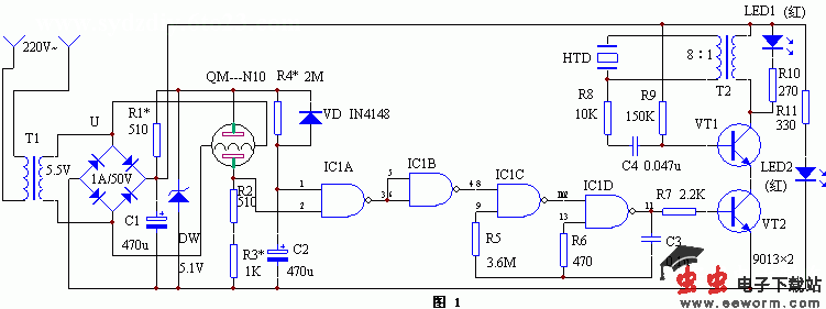
该装置电路工作原理见图1。它是由电源电路、传感器电路、压控振荡器电路及报警电路等组成。220V市电经电源变压器T1降压至5.5V左右,不用整流、滤波直接作为气敏半导体传感器QM-N10的加热电压。控制电路的供电则是由U全桥整流、C1滤波后供给的。QM-N10气敏半导体传感器在洁净空气中的阻值大约有几十kΩ,接触到有害气体时,电导率增大,电阻值急剧下降,下降幅度与瓦斯浓度在0.5%以下成正比。由与非门IC1A、IC1B构成一个门控电路,IC1C、IC1D组成一个多谐振荡器。当QM-N10气敏传感器未敏感到有害气体时,由于电导率极小,IC1A②脚处于低电位,IC1A的①脚处于高电位,故IC1A的③脚为高电位,经IC1B反相后其④脚为低电位,多谐振荡器不起振,三极管VT2处于截止状态,故报警电路不发声。

  一旦QM-N10敏感到有害气体时,其电导率增大,阻值急剧下降,在电阻R2、R3上的压降使IC1A的②脚处于高电位,此时IC1A的③脚变为低电平,经IC1B反相后变为高电平,多谐振荡器起振工作,三极管VT2周期地导通与截止,于是由VT1、T2、C4、HTD等构成的正反馈振荡器间歇工作,发出报警声。与此同时,发光二极管LED1闪烁。从而达到有害气体泄漏告警的目的。

元器件清单见下表:

编 号名 称型 号数 量R1、R2电阻510Ω (需调整)2R3电阻1K (需调整)1R4电阻2M (可调整延迟时间)1R5电阻3.6M1R6电阻470Ω1R7电阻2.2K1R8电阻10K1R9电阻150K1R10电阻270Ω1R11电阻330Ω1C1、C2电解电容470u/16V2C3涤纶电容0.1u1C4涤纶电容0.047u1U整流全桥1A/50V1VD开关二极管IIN41481DW稳压二极管5.1V1LED1、LED2发光二极管红、绿各1个2VT1、VT2晶体三极管90132IC1与非门CCD40111QM气敏传感器QM-N10 (性能见表后文字)1HTD压电轰鸣器加助声腔1T1电源变压器5.5V1T2脉冲变压器自制1

QM-N10是一种高灵敏度、高稳定性的有害气体传感器,其主要技术参数如下:

  响应时间:≤10s

  恢复时间:≤60s

  加热电压:5V ± 0.5V

  加热功率:≤0.5W(加热丝冷态电阻为50Ω ± 2Ω)

  抗干扰能力:丁烷报警浓度设在0.3%时在下述条件下不会误报警:温度为-10-+50℃;湿度为≤95%RH。

  T1采用3-5W、5.5V电源变压器;T2采用8∶1的半导体收音机输出变压器,倒过来用即可。HTD采用Φ=27mm的压电陶瓷片,要求加装共振助声腔。

  由于QM-N10气敏半导体传感器在开机时,约有10分钟的预热期,在这个时间内易产生不稳定因素,导致误报,因此在电路的设计上有一个开机延时电路,它由R4、C2构成,调整R4,使延时时间在10分钟左右即可。电阻R2、R3的阻值决定了电路的报警起控点。将气敏传感器置于浓度为0.3%的丁烷气样中,调整R3的阻值,使电路处于报警临界点即可。最后可实地试验,调整R3至所要求的报警浓度点时报警。

觉得这篇文章有帮助吗?