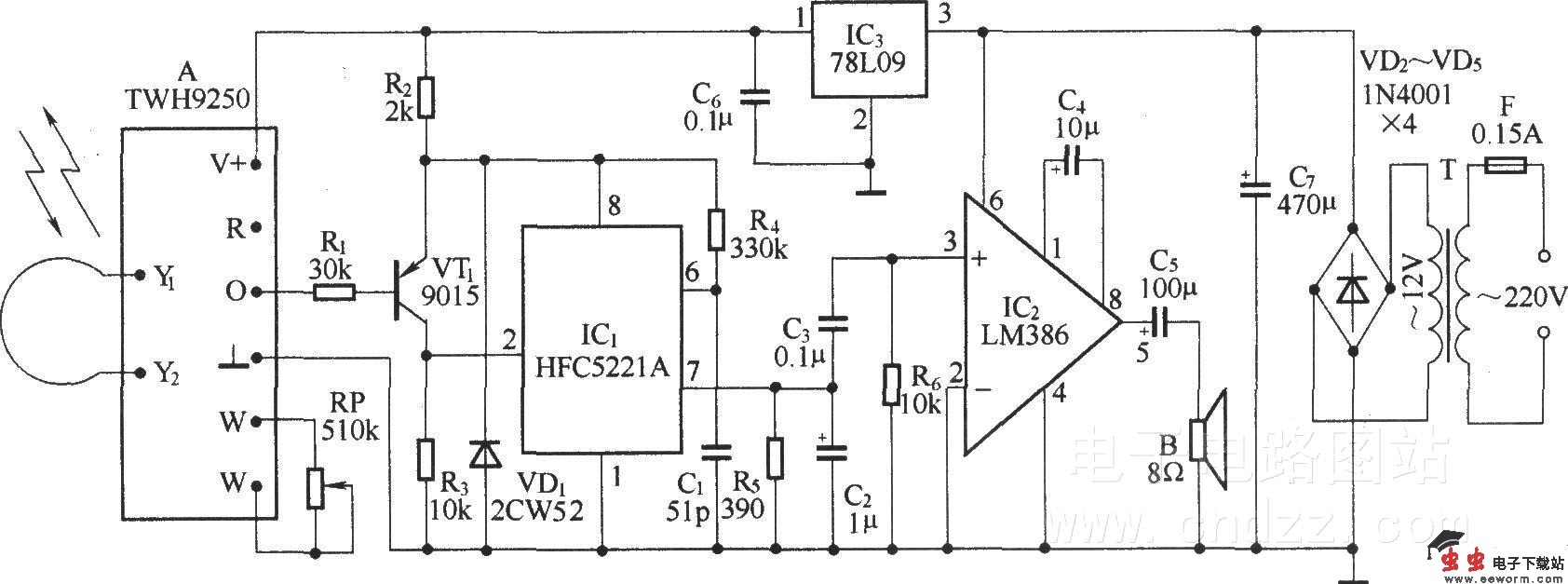
禁烟与防火警示牌电路

📅 发布时间:2013-10-08 07:00 👁️ 浏览:0 🏷️ 标签: 防火警 电路

本电路图所用到的元器件:

TTWH9250 HFC5221A LM386 9015 78L09

 

当有人从警示牌有效监视范围走过时,本电路会发出“铛……禁止吸烟,禁止烟火”的警告声.

觉得这篇文章有帮助吗?