箱包防盗报警器(CD4046)电路

📅 发布时间:2013-10-08 09:55 👁️ 浏览:4 🏷️ 标签: 4046 CD 防盗报警器 电路

本电路图所用到的元器件:

CCD4046 CCD4001

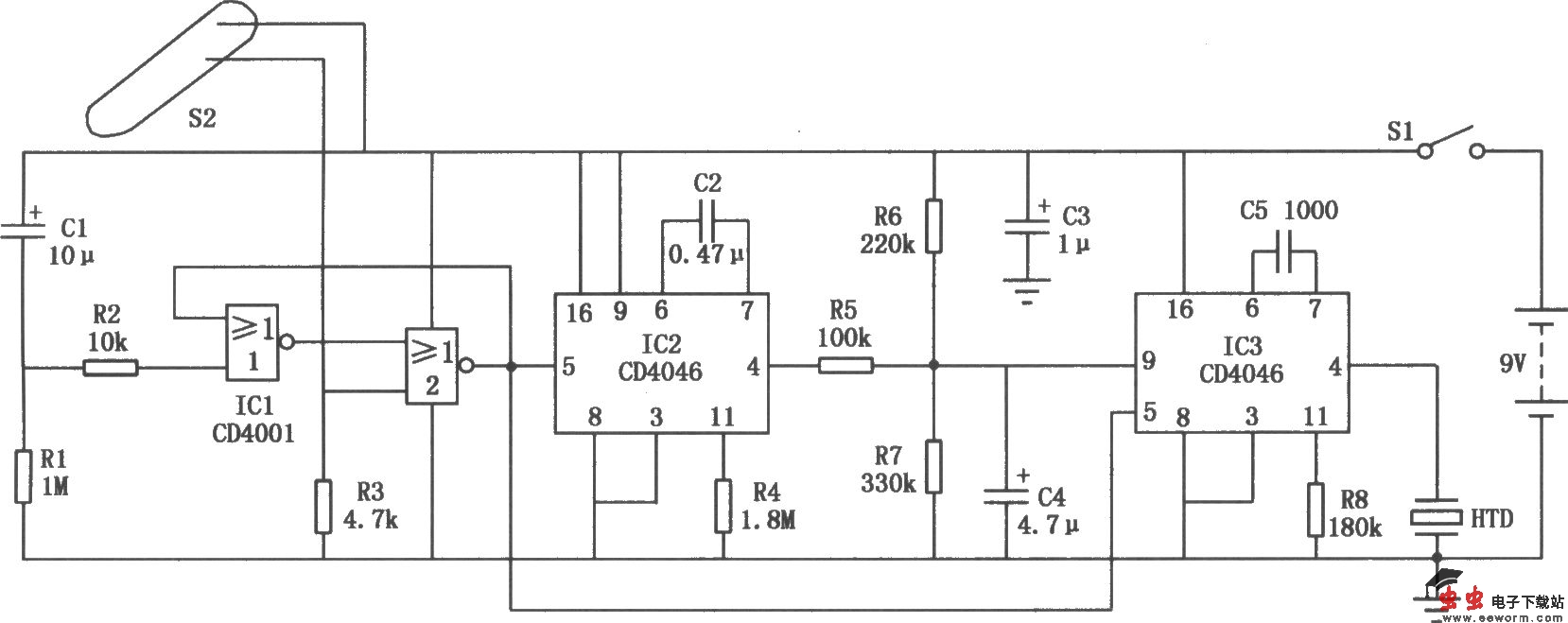
箱包防盗报警器电路如图所示。电路中的S2为水银开关,作为移动传感器用。静止时,它的两个电极不与水银接触,呈断开状态;若发生移动,移动时产生的晃动会使水银与电极发生时断时续的接触,形成开关S2的间断闭合,从而产生触发信号。IC1为2输入4或非门集成电路芯片CD4001,其中它的两个或非门l、2组成双稳态触发器电路和输出锁存电路,平时(静态)处于稳态时,或非门2的输出端为高电平,一旦水银开关s2因箱包的移动而使触点闭合,从而使或非门2的一个输入端为高电平(与电源电压相连),就会使双稳态触发器电路的输出状态发生翻转,或非门2的输出端由高电平变为低电平,并锁存这个状态保持不变。IC2和IC3为锁相环电路集成芯片CD4046,IC2组成固定频率的超低频振荡器,产生频率为2Hz的方波信号,调整R4和C2可改变其振荡频率;IC3与外围元件组成压控振荡器,它直接受IC2产生的2Hz的方波信号调制,输出频率在1~5kHz之间来回变化,变化的周期为2Hz。当有盗贼移动箱包时,双稳态电路发生翻转,或非门2输出低电平,该低电平同时加在IC2、IC3的⑤脚,使它们产生振荡,压电陶瓷片HTD将发出变频的报警声,以引起主人的注意。

觉得这篇文章有帮助吗?