红外传感器的安全防范装置电路

📅 发布时间:2013-10-08 08:05 👁️ 浏览:1 🏷️ 标签: 红外传感器 安全防范 装置电路

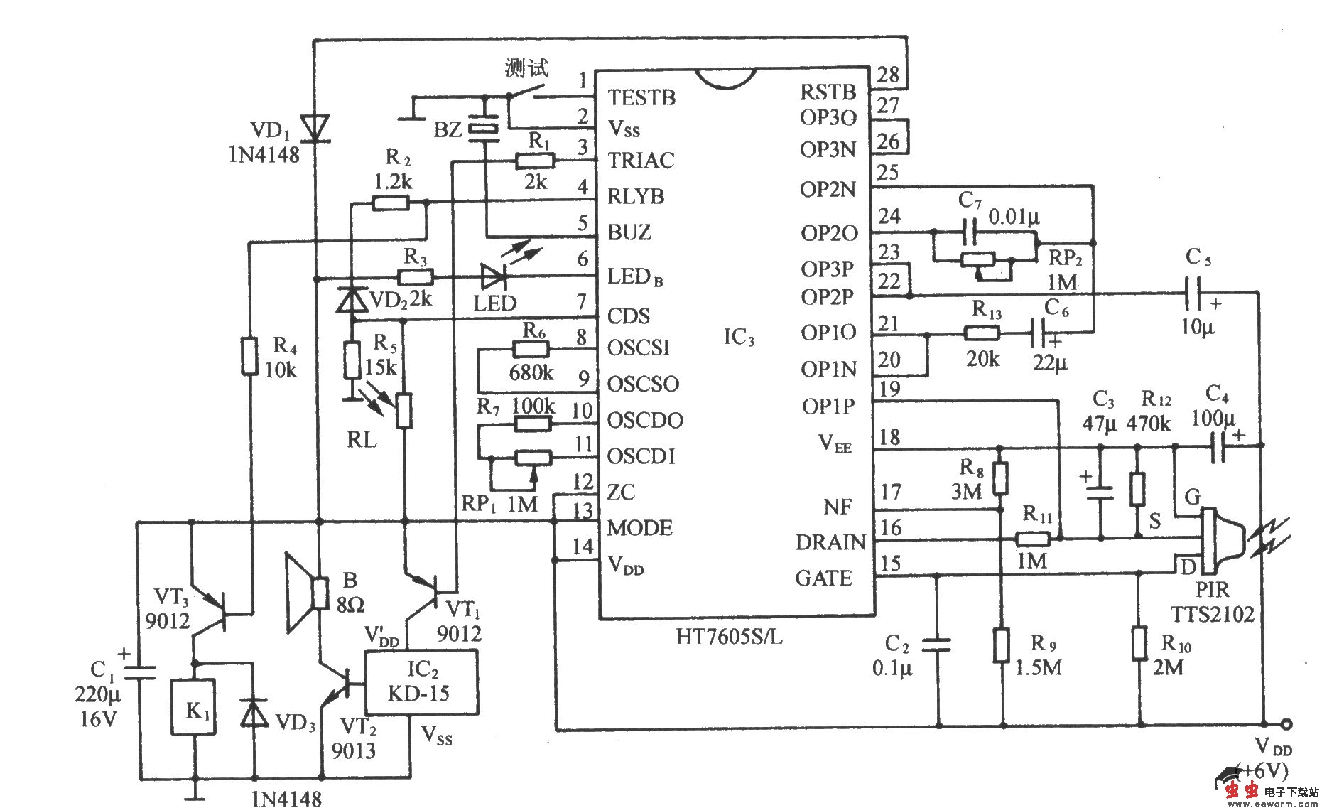
本电路图所用到的元器件:

HT7605S HT7605L KD-15 9012 9013 TTS2102

如图所示电路,它由红外传感控制电路、继电器控制电路、音乐发声电路等组成,可用于红外报警,定时控制等场合。

觉得这篇文章有帮助吗?