四路防盗报警器(CD4011B)

📅 发布时间:2013-10-08 04:45 👁️ 浏览:2 🏷️ 标签: 4011B 4011 CD 防盗报警器

本电路图所用到的元器件:

CCD4011B 9013

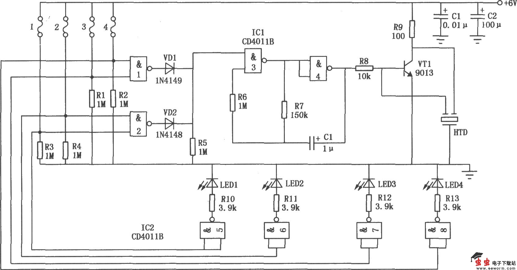
四路防盗报警器电路如图所示。它主要由CD40118集成电路芯片构成,属多路防盗报警电路,可用于四路防盗报警场所,其不仅能发出报警声响,而且还可采用发光(LED)形式对所监控的四路盗情进行指示。

觉得这篇文章有帮助吗?