
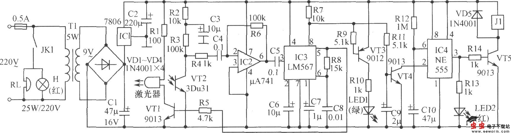
如图所示为大范围激光防盗报警器电路。电路的核心是以IC3(LM567)及其外围阻容元件构成的锁相环电路。当其输入端3脚输入的信号与本身振荡信号的相位(频率)相一致时,其逻辑输出端8脚输出保持为低电平;当输入端输入的信号与其振荡信号相位不同时,其8脚输出为高电平。电路中采用了免调整的同频工作方式,利用锁相环电路本身的振荡信号(锁相环电路的工作频率由外围的R8、C8的参数来决定)同时作为激光器的调制信号,使收发电路工作于同一振荡频率上,工作方式更加简便可靠。当电路工作时,锁相环电路IC3的5脚输出的振荡信号,经R5输送到VT1放大后,推动激光器发出载有调制信号激光束。激光束在传播途径中经多次反射后,照射到接收部分的光电管VT2上并转变为交变电信号,该信号经R4、C4耦合到运放IC2的2脚上,通过IC2放大后输送到锁相环电路IC3的3脚。由于此信号的相位与锁相环电路的振荡信号完全一致,故经内部比较鉴别后,逻辑输出端8脚输出低电平,TV4截止,TV3导通,绿色发光管LED1点亮;而当有人侵入警戒区域时,激光器发射的激光束被遮挡,传播路径被中断,光电管TV2瞬间内不能接收到信号,此时锁相环电路的输入端没有信号输入,逻辑输出端8脚跃变为高电平,TV3截止,TV4导通,IC4的2、6脚变为低电平,由IC4等构成的单稳态延时电路翻转,其3脚输出高电平,红色发光管LED2点亮;同时,VT5导通,继电器J1吸合,接通告警电路——电铃RL及红色灯泡H发出声光报警信号,报警时间的长短由单稳电路的暂态时间来决定,按图中所注参数来计算,大约为50s。 元器件选择:电路中,RL为220V交流电铃;H为220V红色灯泡,可以多盏并接;J1选用工作电压为6V的继电器,触点电流大于2A即可,其他采用的元器件多为常用元件,按标注参数选择即可。为确保电路工作可靠,最好加接直流电源,防止市电出现问题时报警电路失灵。