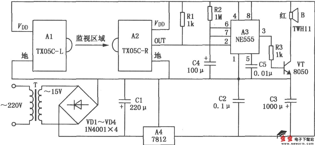
由TX05C-R构成的红外监视报警器

📅 发布时间:2013-10-02 08:45 👁️ 浏览:0 🏷️ 标签: C-R TX 05 红外

由TX05C-R构成的红外监视报警器

由TX05C-R构成的红外监视报警器如图所示,它可用于围墙、窗户、门及各种禁区的监视,一旦有人闯入或越过便会发出报警声,起到安全防范的作用。该电路由发射模块、接收模块、时基电路、电源电路和扬声器等部分构成。其中电源电路由变压器T、整流二极管、三端稳压集成电路A4等部分构成,输出12V直流电压供整个电路用电。

觉得这篇文章有帮助吗?