BTH-801F/BTH-801J为新型红外遥控发射/接收专用模块。两种模块配对使用,可方便地构成红外遥控发射/接收电路,适用于红外遥控开关、报警等许多领域。

BTH-801F/BTH-801J 外形引脚图

BTH-801F/BTH-801J内部原理框图
BTH-801F/BTH-801J红外发射/接收模块主要电气参数如下:电源电压4~8V;发射模块工作电流大于20mA;接收模块工作电流小于3mA;工作频率为3060kHz之间可调,典型值为40kHz;作温度一18~ 60℃,储存温度一25~ 90℃;作用距离5~lOm;作用方式为直射、反射兼顾。

BTH-801F构成单路红外遥控发射电路

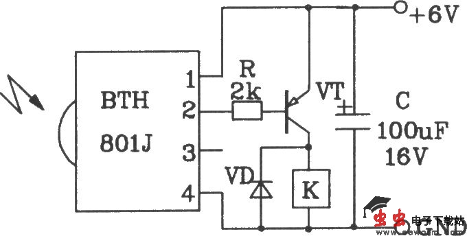
BTH-801H构成单路红外遥控接收电路

BTH-801F构成多路红外遥控发射电路

BTH-801J构成多路红外遥控接收电路