利用RD627构成的微波报警电路

📅 发布时间:2013-09-27 05:55 👁️ 浏览:2 🏷️ 标签: 627 RD 报警电路

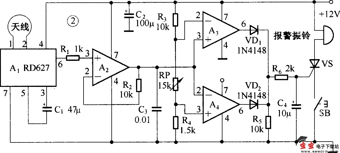
RD627是利用多普勒效应原理制作的一种传感器件,它能够将物体移动的位移信号转换成相应的电信号,可以广泛应用在自动灯,自动门,移动物体计数器,自动开关及防盗报警器等装置中.下图利用RD627构成的微波报警电路

利用RD627构成的微波报警电路

觉得这篇文章有帮助吗?