防触电语言告诫电路

📅 发布时间:2013-09-27 07:15 👁️ 浏览:4 🏷️ 标签: 防触电 语言 电路

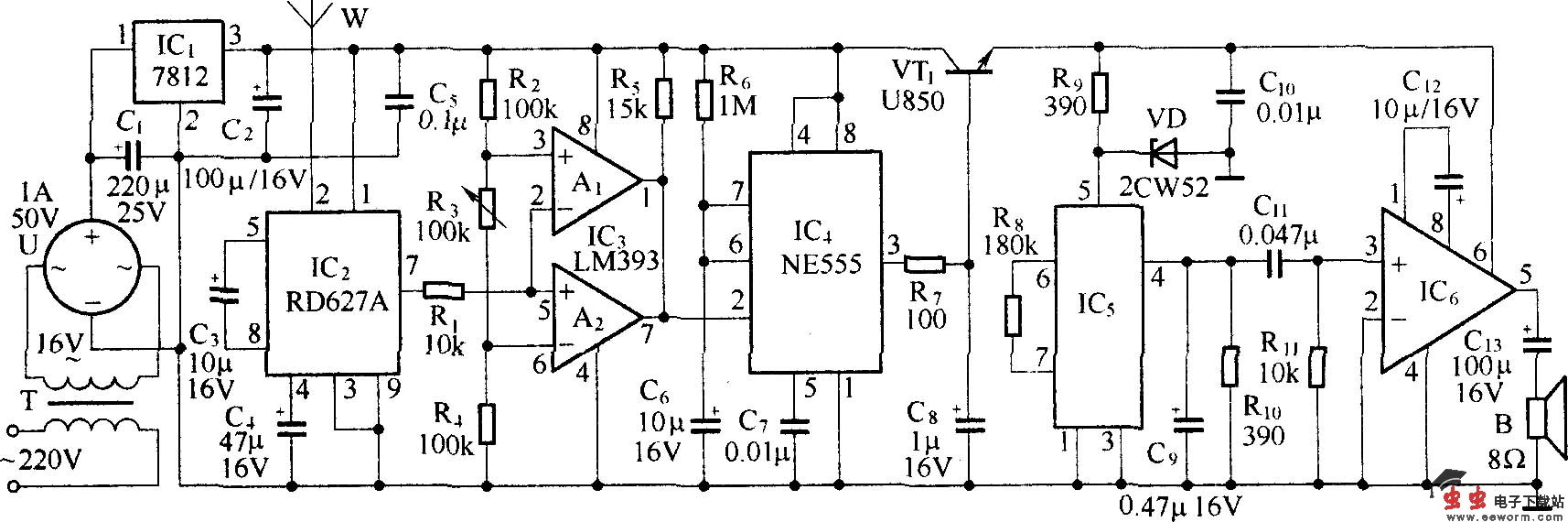
本电路可用于变配电设施的防触电警告,当有人进入本装置的微波探测范围时,电路便会发出“有电危险,请勿靠近”的告警声。电路原理如图所示。

防触电语言告诫电路

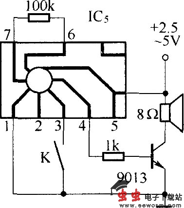
IC5为软封装语言集成电路,其外形和连接图见下图

防触电语言告诫电路

觉得这篇文章有帮助吗?