微波防盗报警器2

📅 发布时间:2013-09-27 04:50 👁️ 浏览:3 🏷️ 标签: 微波防盗 报警

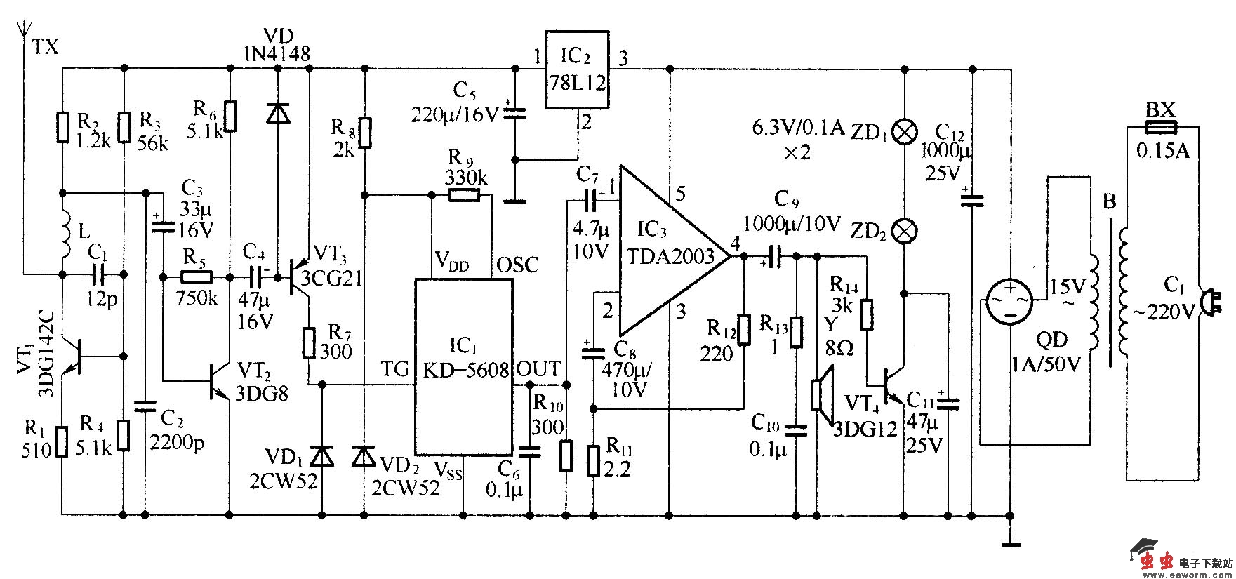
微波防盗报警器2

电路在接通电源后,当其周围8m范围内有人走动时,电路便发出响亮的狗吠声,同时小灯泡闪光,起到一定的防盗报警作用。TDA2003是单声道音频功率放大集成电路.

觉得这篇文章有帮助吗?