⭐ 欢迎来到虫虫下载站! | 📦 资源下载 📁 资源专辑 ℹ️ 关于我们
⭐ 虫虫下载站
🔐 登录 📝 注册
虫虫下载站
虫虫下载站
专业电子工程师资源平台
📤 上传资源
  • 🏠 首页
  • 📦 资源下载
  • 📁 资源专辑
  • 🔧 热门软件
  • ⭐ 精品资源
  • 🎓 基础知识
  • 📐 电路图
  • 📚 电子书
  • 🔢 在线计算器
  • 🔍 代码搜索
🏠 首页 › 📐 电路图 › 其他(others)

📐 其他(others)

📊 共 1170 个电路图 🎨 设计参考
XTR108四线RTD连接电路电路图

XTR108四线RTD连接电路

📅 01-01 查看 →
XTR105远程RTDs探测三线连接电路电路图

XTR105远程RTDs探测三线连接电路

📅 01-01 查看 →
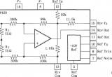
XTR106和RCV420构成的±12V供电的发送/接收环电路电路图

XTR106和RCV420构成的±12V供电的发送/接收环电路

📅 01-01 查看 →
XTR105、RCV420组成的±12V供电的发送/接收环电路电路图

XTR105、RCV420组成的±12V供电的发送/接收环电路

📅 01-01 查看 →
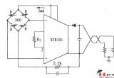
XTR101电桥输入、电流激励电路电路图

XTR101电桥输入、电流激励电路

📅 01-01 查看 →
XTR101 0~20mA输出变换电路电路图

XTR101 0~20mA输出变换电路

📅 01-01 查看 →
RCV420串联4~20mA接收器电路图

RCV420串联4~20mA接收器

📅 01-01 查看 →
RCV420电流-电压变换电路电路图

RCV420电流-电压变换电路

📅 01-01 查看 →
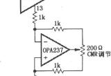
RCV420外部微调CMR电路电路图

RCV420外部微调CMR电路

📅 01-01 查看 →
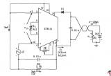
XTR101浮动电压源电路电路图

XTR101浮动电压源电路

📅 01-01 查看 →
RCV420 4~20mA精密电流环路接收器电路图

RCV420 4~20mA精密电流环路接收器

📅 01-01 查看 →
RCV420差动电流-电压变换器电路图

RCV420差动电流-电压变换器

📅 01-01 查看 →
分压式电流负反馈偏置电路电路图

分压式电流负反馈偏置电路

📅 01-01 查看 →
数控跟控或反相电路电路图

数控跟控或反相电路

📅 01-01 查看 →
差动输入一差动输出电路电路图

差动输入一差动输出电路

📅 01-01 查看 →
恒定输出阻抗电路电路图

恒定输出阻抗电路

📅 01-01 查看 →
电压负反馈偏置电路电路图

电压负反馈偏置电路

📅 01-01 查看 →
交流电桥对称激励电路电路图

交流电桥对称激励电路

📅 01-01 查看 →
由ISO122/124与PGA102、ISO150构成的具有增益可编程的隔离通道电路图

由ISO122/124与PGA102、ISO150构成的具有增益可编程的隔离通道

📅 01-01 查看 →
高压跟随电路电路图

高压跟随电路

📅 01-01 查看 →
ISO120/121的增益设置电路电路图

ISO120/121的增益设置电路

📅 01-01 查看 →
由ISO120与PWS740构成的八通道隔离式0~20mA电流环电路电路图

由ISO120与PWS740构成的八通道隔离式0~20mA电流环电路

📅 01-01 查看 →
ISO120/121的增益调节电路电路图

ISO120/121的增益调节电路

📅 01-01 查看 →
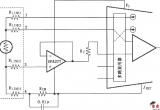
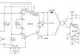
具有冷端补偿的远程隔离式热电偶变送电路(ISO102、XTR101)电路图

具有冷端补偿的远程隔离式热电偶变送电路(ISO102、XTR101)

📅 01-01 查看 →
由ISO103与PWS750-1构成的多通道同步隔离电路电路图

由ISO103与PWS750-1构成的多通道同步隔离电路

📅 01-01 查看 →
由INA337构成的负载电流的高端分流测量电路电路图

由INA337构成的负载电流的高端分流测量电路

📅 01-01 查看 →
由OPA340构成的INA321/322输出缓冲电路电路图

由OPA340构成的INA321/322输出缓冲电路

📅 01-01 查看 →
ISO103的失调电压调整电路电路图

ISO103的失调电压调整电路

📅 01-01 查看 →
由OPA340构成的INA331/332输出缓冲电路电路图

由OPA340构成的INA331/332输出缓冲电路

📅 01-01 查看 →
ISO103的增益设置电路电路图

ISO103的增益设置电路

📅 01-01 查看 →
  • 首页
  • « 上一页
  • 1
  • 2
  • 3
  • 4
  • 5
  • 6
  • 7
  • 8
  • 9
  • 10
  • 下一页 »
  • 末页
🔐 用户登录
加载中...

加载登录表单中...

🎁 免费注册送10积分
加载中...

加载注册表单中...

🔑 找回密码
加载中...

加载表单中...

🔐 需要登录
🔒

登录后即可使用!

🎁 新用户注册立即送10积分
积分可用于下载资源,免费获取优质技术资料
🚪 退出登录
👋

确认要退出登录吗?

退出后需要重新登录才能下载资源

关于虫虫

虫虫下载站是专业的电子工程师资源分享平台,汇聚 622,478+ 优质资源,为工程师提供免费、专业的技术资料。

🌐

快速链接

  • 📦 资源下载
  • 📁 资源专辑
  • 📐 电路图库
  • 📚 电子书籍
  • 🧮 在线计算器

帮助中心

  • 📋 服务条款
  • ℹ️ 关于我们
  • ⚠️ 免责声明
  • 🗺️ 网站地图

联系我们

扫码关注我们

虫虫下载站二维码

虫虫小帮手

© 2011-2025 虫虫下载站 - 专业的电子工程师资源分享平台 | 让技术资源触手可及

京ICP备2021023401号-1