ISO103的增益设置电路

📅 发布时间:2013-10-05 21:50 👁️ 浏览:1 🏷️ 标签: ISO 103 增益设置 电路

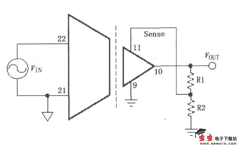
ISO103的增益设置电路 

如图所示为ISO103的增益设置电路。当需要调整的增益较大时,可以采用图中接法来设置增益,

ISO103的增益设置电路 成比例降低。

觉得这篇文章有帮助吗?