⭐ 欢迎来到虫虫下载站! | 📦 资源下载 📁 资源专辑 ℹ️ 关于我们
⭐ 虫虫下载站
🔐 登录 📝 注册
虫虫下载站
虫虫下载站
专业电子工程师资源平台
📤 上传资源
  • 🏠 首页
  • 📦 资源下载
  • 📁 资源专辑
  • 🔧 热门软件
  • ⭐ 精品资源
  • 🎓 基础知识
  • 📐 电路图
  • 📚 电子书
  • 🔢 在线计算器
  • 🔍 代码搜索
🏠 首页 › 📐 电路图 › 其他(others)

📐 其他(others)

📊 共 1170 个电路图 🎨 设计参考
INA114构成的差动电压-电流变换电路电路图

INA114构成的差动电压-电流变换电路

📅 01-01 查看 →
由INA126构成的差分电压-电流变换电路电路图

由INA126构成的差分电压-电流变换电路

📅 01-01 查看 →

INA115的基本连接电路

📅 01-01 查看 →
AD585增益= 2时的HOLD有效采样保持电路电路图

AD585增益= 2时的HOLD有效采样保持电路

📅 01-01 查看 →
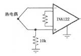
3个典型的INA122提供输入偏流通路的电路电路图

3个典型的INA122提供输入偏流通路的电路

📅 01-01 查看 →
INA111构成的电压控制电流源电路电路图

INA111构成的电压控制电流源电路

📅 01-01 查看 →
INA111构成的多路输入数据采集系统电路图

INA111构成的多路输入数据采集系统

📅 01-01 查看 →
由INA105构成的窗口比较器电路图

由INA105构成的窗口比较器

📅 01-01 查看 →
INA111基本连接电路电路图

INA111基本连接电路

📅 01-01 查看 →

INA110输出失调调节电路

📅 01-01 查看 →
INA105虚地产生电路电路图

INA105虚地产生电路

📅 01-01 查看 →
外部可调CMR(共模抑制比)电路(INA103)电路图

外部可调CMR(共模抑制比)电路(INA103)

📅 01-01 查看 →
增益为11的精密缓冲电路(INA106)电路图

增益为11的精密缓冲电路(INA106)

📅 01-01 查看 →
INA110快速扫描数据采集通道电路电路图

INA110快速扫描数据采集通道电路

📅 01-01 查看 →
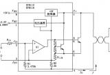
XTR112/114基本两线RTD温度测量电路电路图

XTR112/114基本两线RTD温度测量电路

📅 01-01 查看 →
XTR106热电偶测量环电路电路图

XTR106热电偶测量环电路

📅 01-01 查看 →
XTR110失调与跨度调节电路电路图

XTR110失调与跨度调节电路

📅 01-01 查看 →
XTR115/116基本连接电路电路图

XTR115/116基本连接电路

📅 01-01 查看 →
电桥输入、电流激励电路(XTR105)电路图

电桥输入、电流激励电路(XTR105)

📅 01-01 查看 →
RCV420增益可调节电路电路图

RCV420增益可调节电路

📅 01-01 查看 →
4~20mA电流环路变送器XTR115/116电路图

4~20mA电流环路变送器XTR115/116

📅 01-01 查看 →
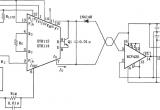
XTR112、RCV420组成的发送/接收环电路电路图

XTR112、RCV420组成的发送/接收环电路

📅 01-01 查看 →
XTR106校正正(或负)电桥非线性的连接电路电路图

XTR106校正正(或负)电桥非线性的连接电路

📅 01-01 查看 →
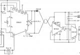
XTR112/114隔离式发送/接收环电路电路图

XTR112/114隔离式发送/接收环电路

📅 01-01 查看 →
XTR112/114电桥输入、电流激励电路电路图

XTR112/114电桥输入、电流激励电路

📅 01-01 查看 →
XTR105热电偶测量环电路电路图

XTR105热电偶测量环电路

📅 01-01 查看 →
XTR112/114不用外部晶体管的电路电路图

XTR112/114不用外部晶体管的电路

📅 01-01 查看 →
XTR112/114三线远程电阻式热探测器连接电路电路图

XTR112/114三线远程电阻式热探测器连接电路

📅 01-01 查看 →
XTR112/114热电偶环路测量电路电路图

XTR112/114热电偶环路测量电路

📅 01-01 查看 →
隔离式发送/接收环电路(XTR105、RCV420)电路图

隔离式发送/接收环电路(XTR105、RCV420)

📅 01-01 查看 →
  • 首页
  • « 上一页
  • 1
  • 2
  • 3
  • 4
  • 5
  • 6
  • 7
  • 8
  • 9
  • 10
  • 下一页 »
  • 末页
🔐 用户登录
加载中...

加载登录表单中...

🎁 免费注册送10积分
加载中...

加载注册表单中...

🔑 找回密码
加载中...

加载表单中...

🔐 需要登录
🔒

登录后即可使用!

🎁 新用户注册立即送10积分
积分可用于下载资源,免费获取优质技术资料
🚪 退出登录
👋

确认要退出登录吗?

退出后需要重新登录才能下载资源

关于虫虫

虫虫下载站是专业的电子工程师资源分享平台,汇聚 622,478+ 优质资源,为工程师提供免费、专业的技术资料。

🌐

快速链接

  • 📦 资源下载
  • 📁 资源专辑
  • 📐 电路图库
  • 📚 电子书籍
  • 🧮 在线计算器

帮助中心

  • 📋 服务条款
  • ℹ️ 关于我们
  • ⚠️ 免责声明
  • 🗺️ 网站地图

联系我们

扫码关注我们

虫虫下载站二维码

虫虫小帮手

© 2011-2025 虫虫下载站 - 专业的电子工程师资源分享平台 | 让技术资源触手可及

京ICP备2021023401号-1