XTR112/114电桥输入、电流激励电路

📅 发布时间:2013-10-06 06:20 👁️ 浏览:0 🏷️ 标签: XTR 112 114 电桥

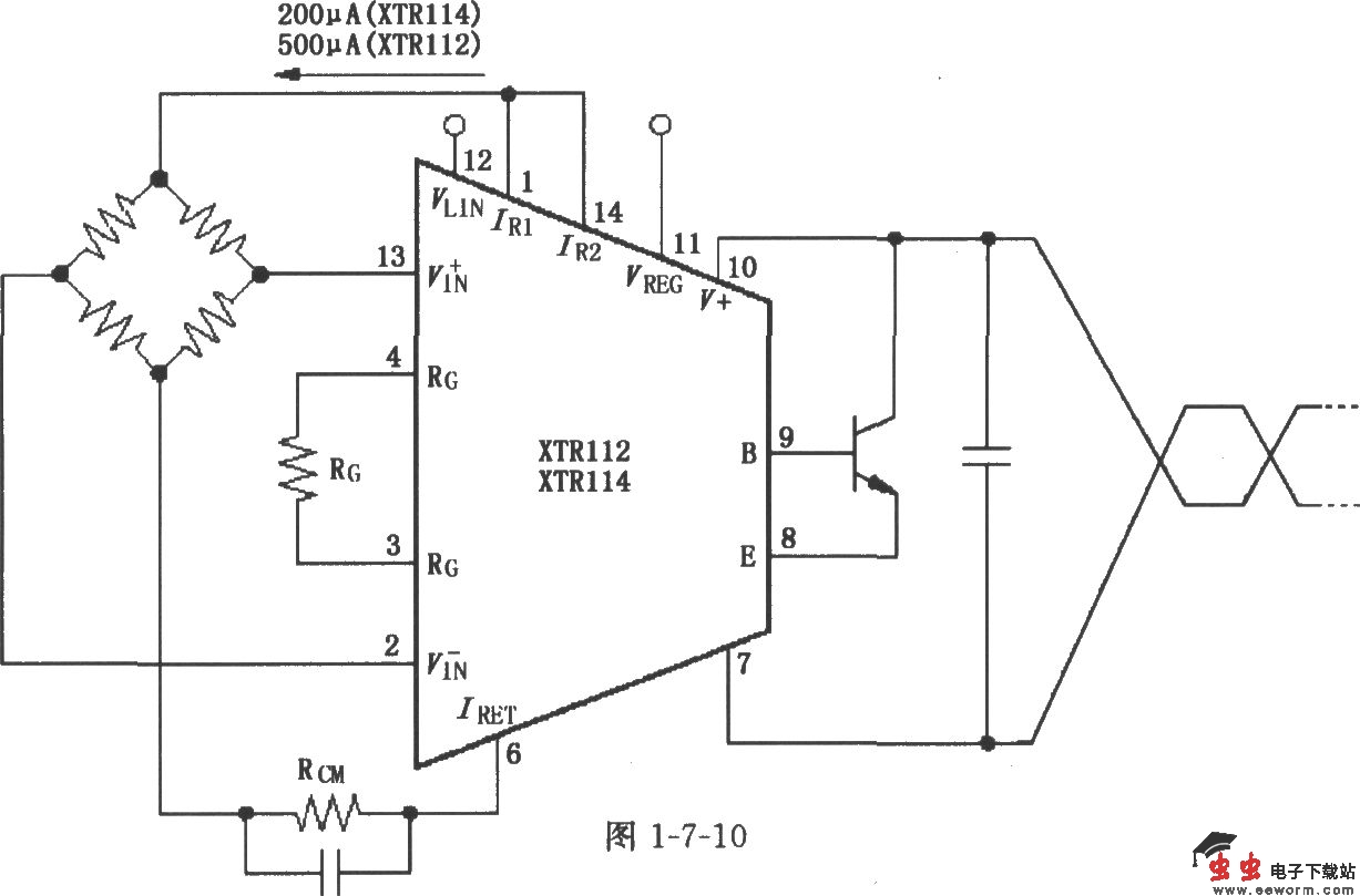
XTR112/114电桥输入、电流激励电路

如图所示,芯片内部的两个电流源(1脚和14脚输出)提供电桥激励,每个电流源的输出为0.2mA(XTR114)或0.5A(XTR112)。用RCM调节共模输入电压,使之为1.25~3.5V。

觉得这篇文章有帮助吗?