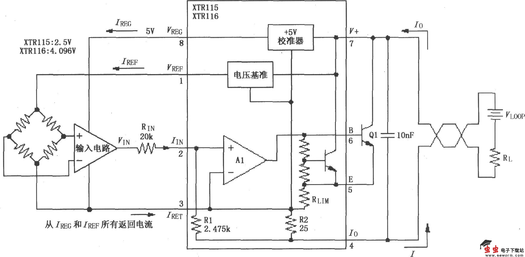
XTR115/116基本连接电路

📅 发布时间:2013-10-06 07:20 👁️ 浏览:0 🏷️ 标签: XTR 115 116 连接电路

XTR115/116基本连接电路

如图所示,①脚输出的基准电压VREF不用于内部电路,而是提供给外电路工作;同样,⑧脚输出的电压VREG也是提供给外电路工作的。而所有电流都返回③脚(IRET端),对于输入电路来说,IRET端相当于“地”。该电路的Io为4~20mA,IIN为40~200μA,VIN为0.8~4V。

觉得这篇文章有帮助吗?