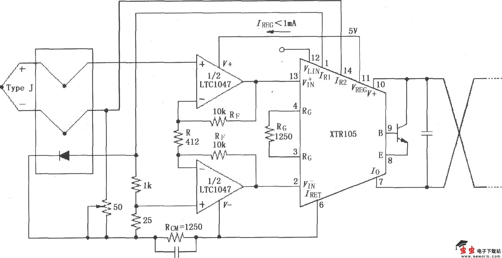
XTR105热电偶测量环电路

📅 发布时间:2013-10-06 06:10 👁️ 浏览:0 🏷️ 标签: XTR 105 热电偶 测量

XTR105热电偶测量环电路

如图所示为具有二极管冷端补偿的低失调、低漂移热电偶测量环电路。由LCT1047构成双运放的放大器作为输入,该结构大大提高了电路的共模抑制比,使之具有低失调、低漂移特性,双运放构成的放大器增益为G=1 2RF/R-50。按图中参数设置,G近似为50。

觉得这篇文章有帮助吗?