XTR112/114不用外部晶体管的电路

📅 发布时间:2013-10-06 06:00 👁️ 浏览:0 🏷️ 标签: XTR 112 114 晶体管

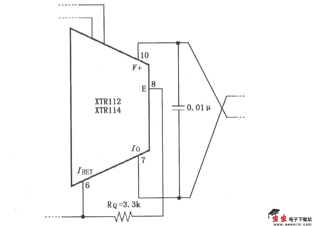
XTR112/114不用外部晶体管的电路

如图所示,不用外部晶体管Q1时,可连接一个3.3kΩ电阻在⑧脚与⑥脚之间。采用这种连接方式的电路由于内部功耗的影响,精确度会有所下降。

觉得这篇文章有帮助吗?