INA110输出失调调节电路

📅 发布时间:2013-10-06 12:35 👁️ 浏览:0 🏷️ 标签: INA 110 输出 调节电路

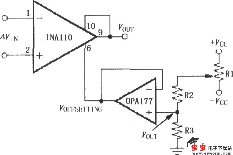
INA110输出失调调节电路

如图所示为INA110输出失调调节电路。电位器通过R1、R2及R3分压,经过由运放OPA177构

INA110输出失调调节电路 

觉得这篇文章有帮助吗?