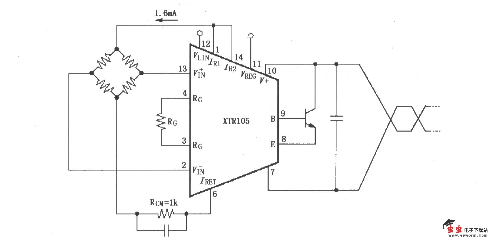
电桥输入、电流激励电路(XTR105)

📅 发布时间:2013-10-06 07:10 👁️ 浏览:0 🏷️ 标签: XTR 105 电桥 激励电路

电桥输入、电流激励电路(XTR105)

如图所示,由芯片内部的两个电流源(1脚和14脚输出)提供电桥激励,每个电流源输出0.8mA。用RCM调节共模电压,使之为1.25~3.5V。

觉得这篇文章有帮助吗?