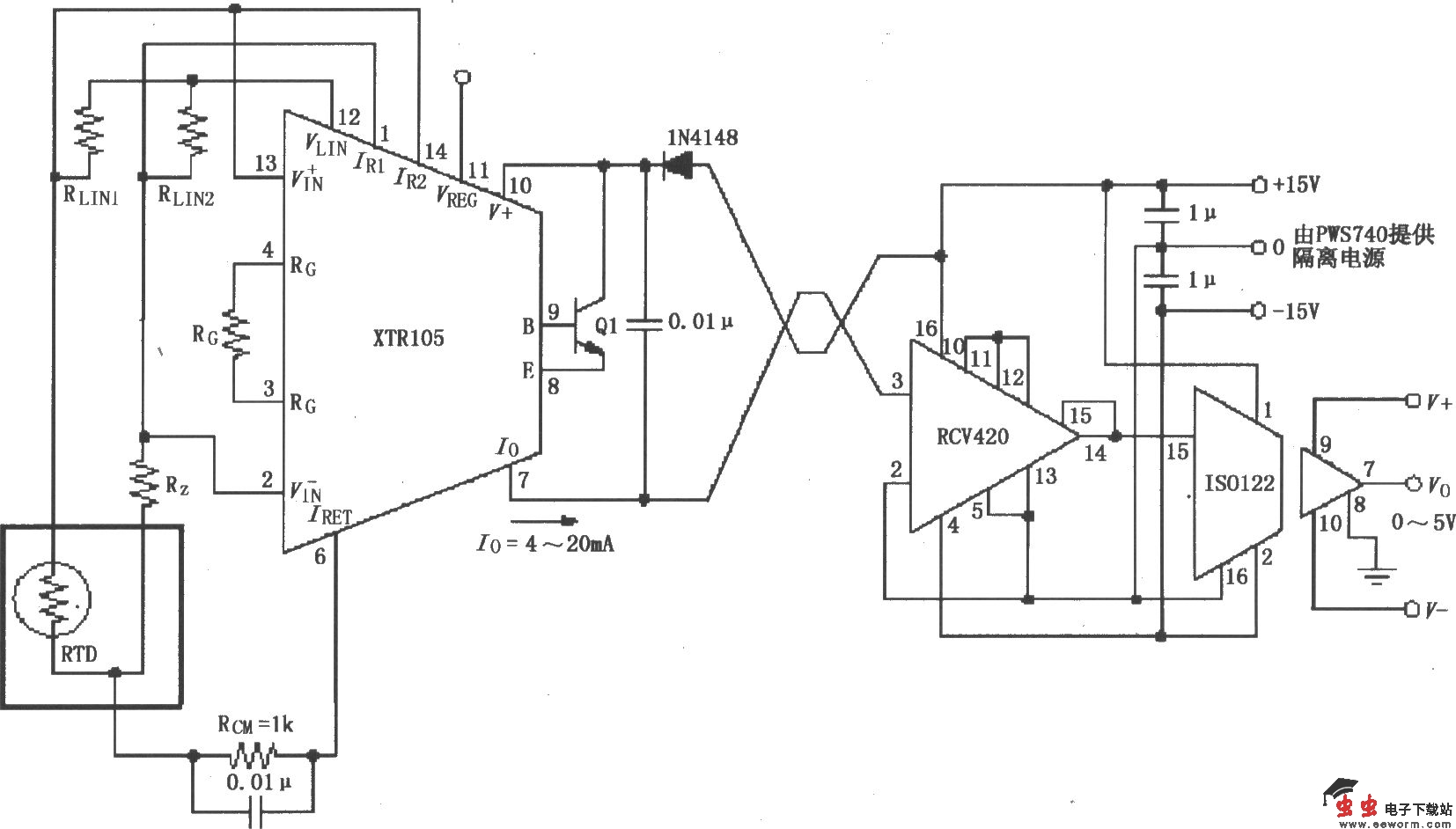
隔离式发送/接收环电路(XTR105、RCV420)

📅 发布时间:2013-10-06 05:45 👁️ 浏览:0 🏷️ 标签: XTR 105 RCV 420

隔离式发送/接收环电路(XTR105、RCV420)

如图所示,RTD在现场采集温度后,将其转换为电压,由XTR105将电压变换为4~20mA电流输出,再经双绞线传输,由RCV420接收、隔离放大器ISO122隔离放大后,输出0~5V电压。该电路的抗干扰性能极好,可用于远距离传输或干扰大的场合。图中为三线RTD连接,若用于两线RTD连接,则去掉RLIN2。

觉得这篇文章有帮助吗?