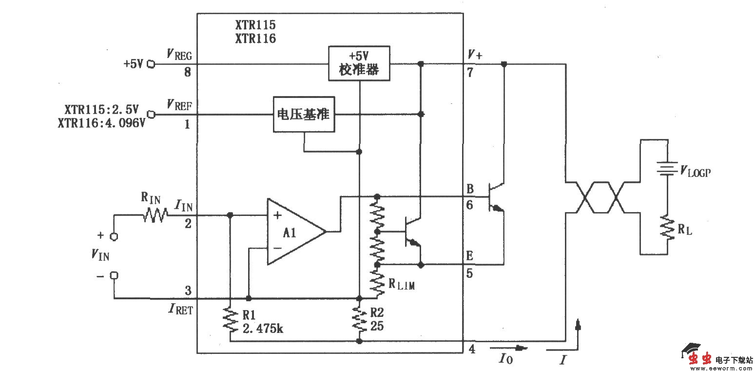
XTR115/116是精密电流输出变送器,可在整个工业标准电流环内发送4~20mA模拟信号,提供精确的电流定标和输出电流限制功能。XTR115/116 内部电压校准器(5V)可用于外部电路供电,其精密的片内VREF(XTR115为2.5V,XTR116为4.096V)可为传感器提供偏置或激励;其电流返回端(IRET脚)可检测外部电路电流,以精确控制输出电流的精度。XTR115/116的引脚排列如图所示。

内部框图如下图所示:
XTR115/116是精密电流输出变送器,可在整个工业标准电流环内发送4~20mA模拟信号,提供精确的电流定标和输出电流限制功能。XTR115/116 内部电压校准器(5V)可用于外部电路供电,其精密的片内VREF(XTR115为2.5V,XTR116为4.096V)可为传感器提供偏置或激励;其电流返回端(IRET脚)可检测外部电路电流,以精确控制输出电流的精度。XTR115/116的引脚排列如图所示。

内部框图如下图所示: