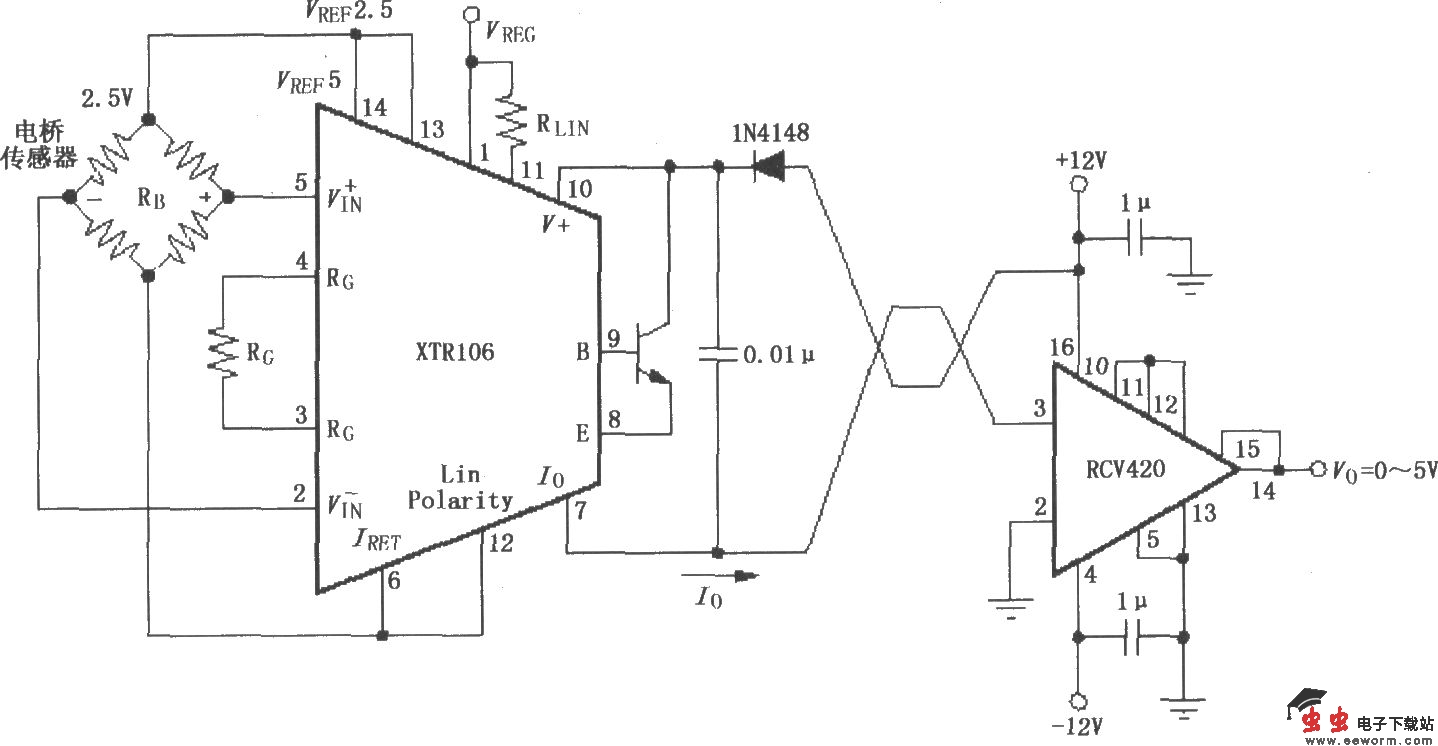
XTR106和RCV420构成的±12V供电的发送/接收环电路

📅 发布时间:2013-10-06 05:25 👁️ 浏览:0 🏷️ 标签: XTR 106 RCV 420

XTR106和RCV420构成的±12V供电的发送/接收环电路

如图所示,二极管IN4148串联在V 和环路中,可防止线路因反接而损坏器件,在环路中仅损耗0.7V(硅二极管的正向压降)的电源供电电压。图中Lin Polarity为正桥非线性校正连接。

觉得这篇文章有帮助吗?