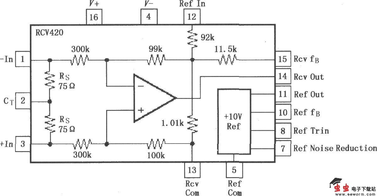
RCV420是设计用于将输入4~20mA电流信号变换为输出0~5V电压的精密电流环路接收器。其电路由优质的运放、片内精密电阻网络和一个10V精密基准源组成,总变换精度为0.1%,高噪声抗扰度CMR为86dB,共模输入范围为±40V。在最大标定状态下工作时,电压仅跌落.5V,这一特性对于环路内有额外的负载或发送端有超额电压的内在安全应用时非常有用。10V基准提供10V具有典型漂移值5×10-6/oC的精密电压输出。RCV420的等效电路如图所示。
RCV420是设计用于将输入4~20mA电流信号变换为输出0~5V电压的精密电流环路接收器。其电路由优质的运放、片内精密电阻网络和一个10V精密基准源组成,总变换精度为0.1%,高噪声抗扰度CMR为86dB,共模输入范围为±40V。在最大标定状态下工作时,电压仅跌落.5V,这一特性对于环路内有额外的负载或发送端有超额电压的内在安全应用时非常有用。10V基准提供10V具有典型漂移值5×10-6/oC的精密电压输出。RCV420的等效电路如图所示。