
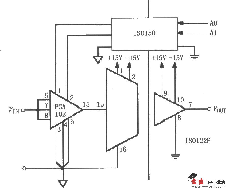
如图所示为由ISO122/124与PGA102、ISO150构成的具有增益可编程的隔离通道电路。输入信号VIN由仪表放大器PGA102放大后送到ISO122P,经过ISO102P隔离放大后输出VOUT。两个增益选择信号A0、A1由ISO150隔离后加到PGA102,对PGA102的增益进行设置(1、10或100)。由于输入端的信号、电源、地与输出端的信号、电源、地及增益控制选择端完全隔离开来,所以该电路的抗干扰性能很好。

如图所示为由ISO122/124与PGA102、ISO150构成的具有增益可编程的隔离通道电路。输入信号VIN由仪表放大器PGA102放大后送到ISO122P,经过ISO102P隔离放大后输出VOUT。两个增益选择信号A0、A1由ISO150隔离后加到PGA102,对PGA102的增益进行设置(1、10或100)。由于输入端的信号、电源、地与输出端的信号、电源、地及增益控制选择端完全隔离开来,所以该电路的抗干扰性能很好。