由ISO103与PWS750-1构成的多通道同步隔离电路

📅 发布时间:2013-10-05 23:00 👁️ 浏览:0 🏷️ 标签: ISO 103 750 PWS

由ISO103与PWS750-1构成的多通道同步隔离电路

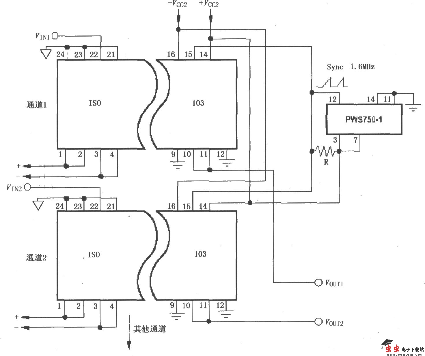
如图所示为由ISO103与PWS750-1构成的多通道同步隔离电路。电路中采用了一个PWS750-1振

由ISO103与PWS750-1构成的多通道同步隔离电路 

觉得这篇文章有帮助吗?