
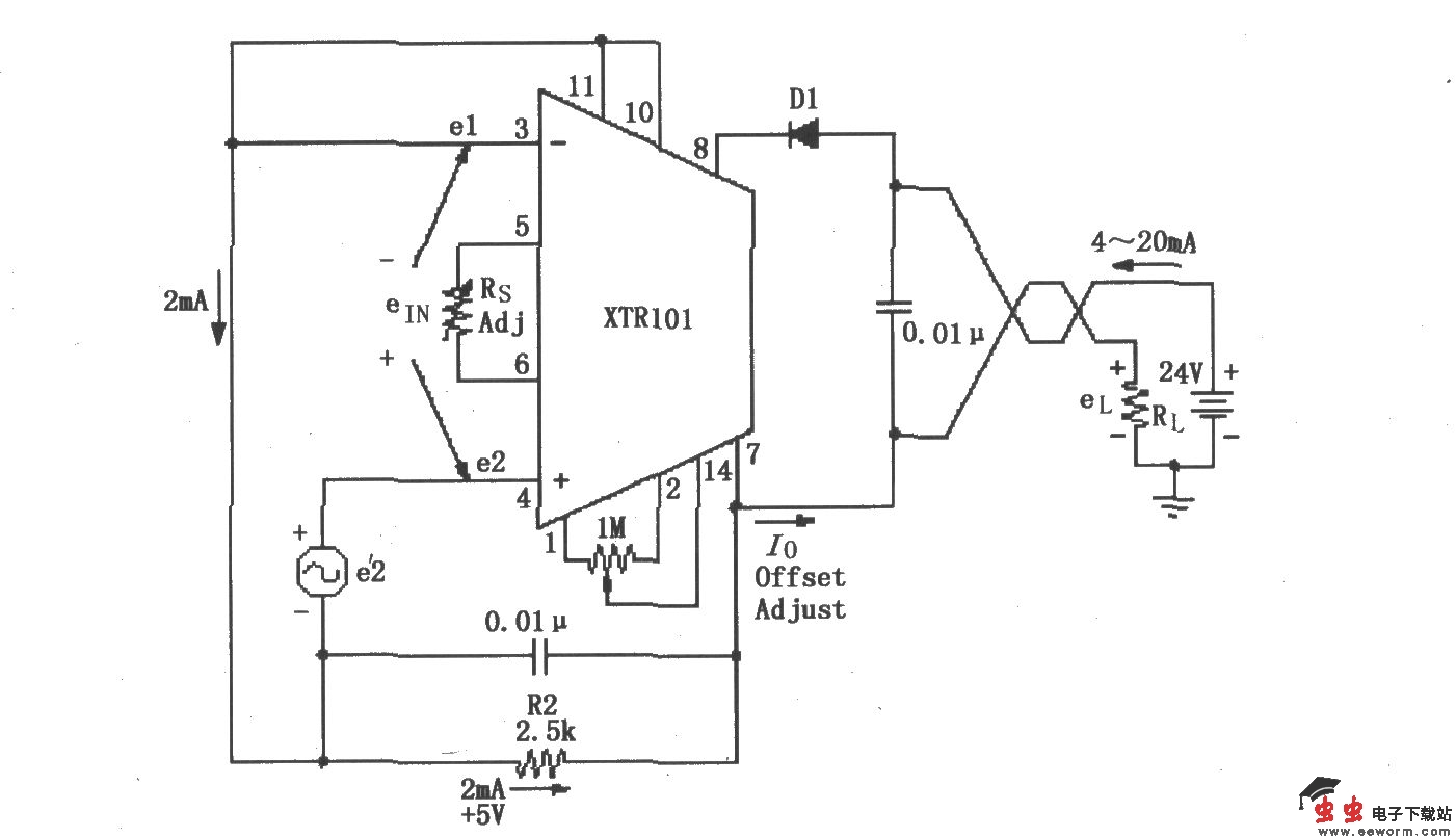
如图所示,该电路为单电源供电,要求偏压e1和e2近似于5V之上,以确保⑦脚有线性响应。e2为浮动电压源,2mA浮动电压源电流通过R2使e1和e2上升到5V以上,以满足⑦脚的线性响应要求。由于线性工作条件限制,必须使 4V≤e1≤ 6V、 4V≤e2≤ 6V。1MΩ电位器用于改善放大器输入失调电压。校准电路时,可短接③脚与④脚(即eIN=0),调节Rs使输出电流为4mA。输出电流Io=4mA (0.016 40/Rs)eIN,eIN=e2-e1。

如图所示,该电路为单电源供电,要求偏压e1和e2近似于5V之上,以确保⑦脚有线性响应。e2为浮动电压源,2mA浮动电压源电流通过R2使e1和e2上升到5V以上,以满足⑦脚的线性响应要求。由于线性工作条件限制,必须使 4V≤e1≤ 6V、 4V≤e2≤ 6V。1MΩ电位器用于改善放大器输入失调电压。校准电路时,可短接③脚与④脚(即eIN=0),调节Rs使输出电流为4mA。输出电流Io=4mA (0.016 40/Rs)eIN,eIN=e2-e1。