⭐ 欢迎来到虫虫下载站! | 📦 资源下载 📁 资源专辑 ℹ️ 关于我们
⭐ 虫虫下载站
🔐 登录 📝 注册
虫虫下载站
虫虫下载站
专业电子工程师资源平台
📤 上传资源
  • 🏠 首页
  • 📦 资源下载
  • 📁 资源专辑
  • 🔧 热门软件
  • ⭐ 精品资源
  • 🎓 基础知识
  • 📐 电路图
  • 📚 电子书
  • 🔢 在线计算器
  • 🔍 代码搜索
🏠 首页 › 📐 电路图 › 接口电路

📐 接口电路

📊 共 147 个电路图 🎨 设计参考
多功能传感信号调理器AD694用作数/模转换器(DAC)的电流环接口电路图

多功能传感信号调理器AD694用作数/模转换器(DAC)的电流环接口

📅 01-01 查看 →
D/A转换器的电流环接口(隔离式可编程电压/电流传感器1B22)电路图

D/A转换器的电流环接口(隔离式可编程电压/电流传感器1B22)

📅 01-01 查看 →
单片加速度传感器MMA1220D与单片机的接口电路电路图

单片加速度传感器MMA1220D与单片机的接口电路

📅 01-01 查看 →
带串行接口的单轴磁场传感器(集成磁场传感器HMC1001)电路图

带串行接口的单轴磁场传感器(集成磁场传感器HMC1001)

📅 01-01 查看 →
带S/R电路和串行接口的双轴磁场传感器应用电路电路图

带S/R电路和串行接口的双轴磁场传感器应用电路

📅 01-01 查看 →
5通道低功耗可编程传感器信号处理器AD7714与MCS-51系列单片机电路图

5通道低功耗可编程传感器信号处理器AD7714与MCS-51系列单片机

📅 01-01 查看 →
5通道低功耗可编程传感器信号处理器AD7714与DSP的接口电路电路图

5通道低功耗可编程传感器信号处理器AD7714与DSP的接口电路

📅 01-01 查看 →
ICM7218A构成的8位LED动态显示电路电路图

ICM7218A构成的8位LED动态显示电路

📅 01-01 查看 →
由MAX7219串行接口8位LED显示驱动集成电路与68HC05单片机构成电路图

由MAX7219串行接口8位LED显示驱动集成电路与68HC05单片机构成

📅 01-01 查看 →
SAA1064串行I2C总线LED显示驱动集成电路静态驱动接口电路电路图

SAA1064串行I2C总线LED显示驱动集成电路静态驱动接口电路

📅 01-01 查看 →
使用真正USB芯片及M8的ISP电路图

使用真正USB芯片及M8的ISP

📅 01-01 查看 →
XEl201A FSK 300~500 MHz收发器电路图

XEl201A FSK 300~500 MHz收发器

📅 01-01 查看 →
CYWUSB6934 CDMA GFSK 2.4 GHz收发器电路图

CYWUSB6934 CDMA GFSK 2.4 GHz收发器

📅 01-01 查看 →
CY6940系列2.4 GHz无线USB接口电路图

CY6940系列2.4 GHz无线USB接口

📅 01-01 查看 →
CYWUSB6932 GFSK2.4 GHz无线USB接口发射器电路图

CYWUSB6932 GFSK2.4 GHz无线USB接口发射器

📅 01-01 查看 →

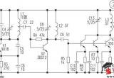
实用DTMF编译码器开发试验电路

📅 01-01 查看 →
MC33591/MC3359400K/FSK 434~315kHz接收器电路图

MC33591/MC3359400K/FSK 434~315kHz接收器

📅 01-01 查看 →
三极管实现的232接口电路电路图

三极管实现的232接口电路

📅 01-01 查看 →
ICL7135(或5G7135)与8031的接口电路电路图

ICL7135(或5G7135)与8031的接口电路

📅 01-01 查看 →
AD1674与PC总线的接口电路电路图

AD1674与PC总线的接口电路

📅 01-01 查看 →
MAX187/189与8031的接口电路电路图

MAX187/189与8031的接口电路

📅 01-01 查看 →
A/D转换器5G14433与微处理机的接口电路电路图

A/D转换器5G14433与微处理机的接口电路

📅 01-01 查看 →
远距离传输接口电路(AD7543)电路图

远距离传输接口电路(AD7543)

📅 01-01 查看 →
PCA8581 I2C接口 128×8位E2PROM电路图

PCA8581 I2C接口 128×8位E2PROM

📅 01-01 查看 →
DS14185数据接口驱动器/接收器组合电路图

DS14185数据接口驱动器/接收器组合

📅 01-01 查看 →
采用I2C控制接口的LED驱动电路电路图

采用I2C控制接口的LED驱动电路

📅 01-01 查看 →
由AD693构成的PRTD温度/电流(T/I)转换电路电路图

由AD693构成的PRTD温度/电流(T/I)转换电路

📅 01-01 查看 →
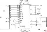
MAX19692内部时钟接口框电路电路图

MAX19692内部时钟接口框电路

📅 01-01 查看 →
EEPROM24C256和PCF8563组成的日历时钟和存储电路电路图

EEPROM24C256和PCF8563组成的日历时钟和存储电路

📅 01-01 查看 →
HD-audio 5pin常开音频接口与封装实体图电路图

HD-audio 5pin常开音频接口与封装实体图

📅 01-01 查看 →
  • 首页
  • « 上一页
  • 1
  • 2
  • 3
  • 4
  • 5
  • 下一页 »
  • 末页
🔐 用户登录
加载中...

加载登录表单中...

🎁 免费注册送10积分
加载中...

加载注册表单中...

🔑 找回密码
加载中...

加载表单中...

🔐 需要登录
🔒

登录后即可使用!

🎁 新用户注册立即送10积分
积分可用于下载资源,免费获取优质技术资料
🚪 退出登录
👋

确认要退出登录吗?

退出后需要重新登录才能下载资源

关于虫虫

虫虫下载站是专业的电子工程师资源分享平台,汇聚 622,478+ 优质资源,为工程师提供免费、专业的技术资料。

🌐

快速链接

  • 📦 资源下载
  • 📁 资源专辑
  • 📐 电路图库
  • 📚 电子书籍
  • 🧮 在线计算器

帮助中心

  • 📋 服务条款
  • ℹ️ 关于我们
  • ⚠️ 免责声明
  • 🗺️ 网站地图

联系我们

扫码关注我们

虫虫下载站二维码

虫虫小帮手

© 2011-2025 虫虫下载站 - 专业的电子工程师资源分享平台 | 让技术资源触手可及

京ICP备2021023401号-1