MC33591/MC3359400K/FSK 434~315kHz接收器

📅 发布时间:2013-09-29 05:40 👁️ 浏览:0 🏷️ 标签: 3359400 33591 MC 315

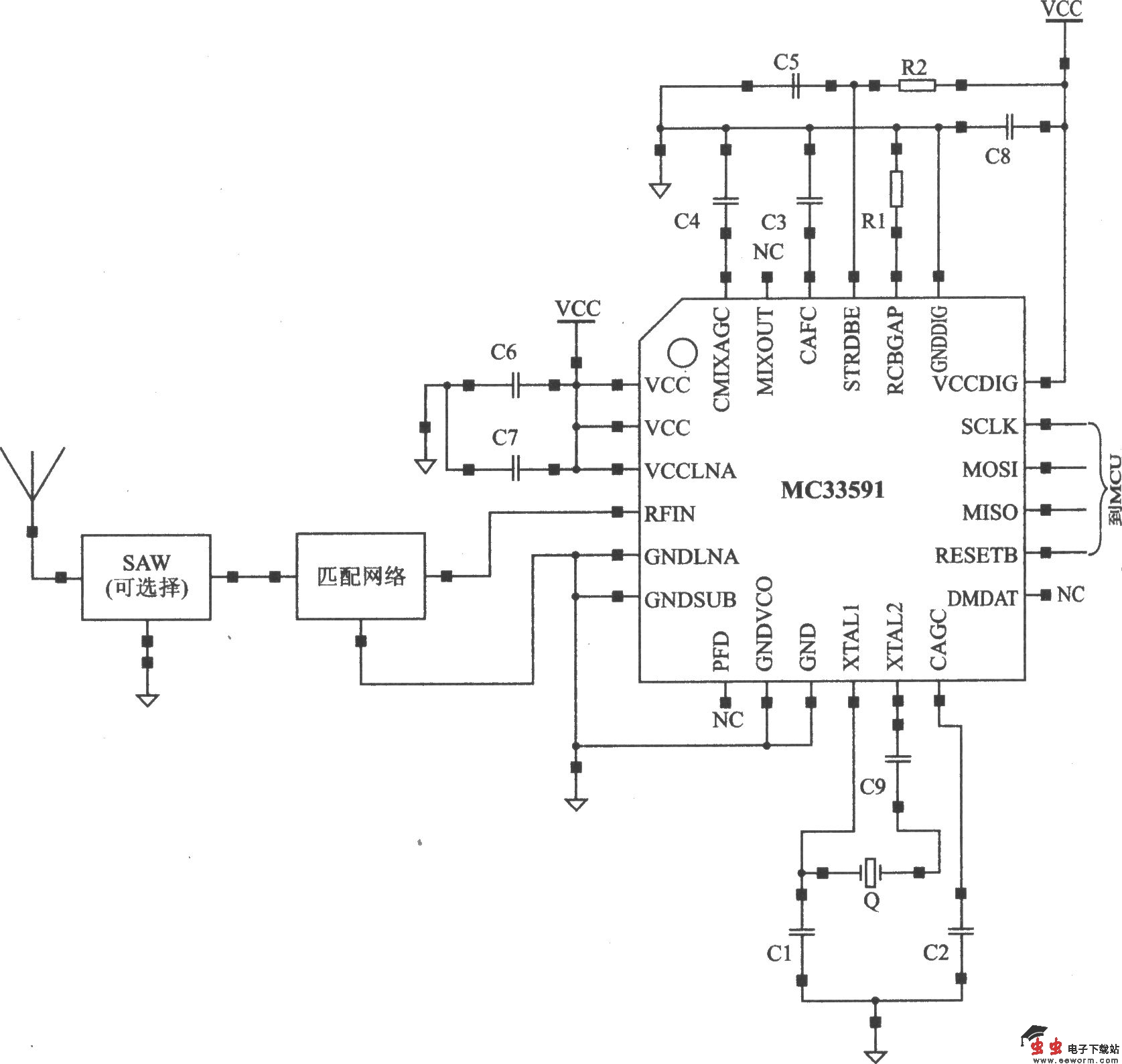
Mc33591/Mc33594是一款单片集成的接收器。芯片内包含660 kHz中频带通滤波器、完全集成的VCO、消除镜像的混频器、曼彻斯特编码时钟再生电路及完全可预置的SPI接口。 主要技术特点如下: ·工作频率为315~434 MHz; ·OOK/FSK解调方式; ·工作电压为VGND-0.3~5.5 V; ·在运行模式下电流消耗仅为5 mA,睡眠模式电流消耗为ll5μA; ·数据传输速率为l~11 Kb/s,最快唤醒时间为l ms; ·RF灵敏度为-105 dBm(在4.8 Kb/s); ·中频带宽为500 kHz。

 

MC33591/MC33594的应用电路 MC33591/MC33594应用电路的元器件

 

觉得这篇文章有帮助吗?