
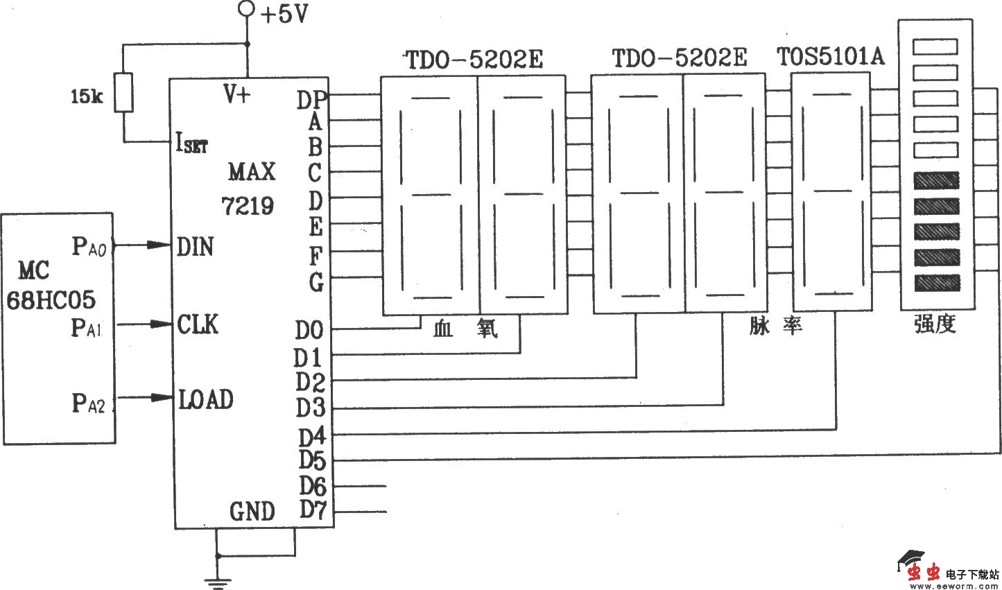
由MAX7219串行接口8位LED显示驱动集成电路与68HC05单片机构成的接口电路图 初始化 通电后7219进入关断方式,至少经过250肚s才退出。因此必须对它们进行必要的初始化后才能正常工作。包括退出关断方式、指定译码方式和被译码的数位、设定亮度和扫描限等。考虑到程序可能在热启动运行,因此在初始化程序开始也可先进入关断方式,即完成如下操作: ·写入O000H,关断7219 ·延时至少250µs ·写入0001H,退出关断方式 ·写入091FH,数位0~4为译码方式 ·写入0AOFH,置为最亮状态 ·写入0805H,设扫描限为数位0~5显示 ·写入0F01H,进测试方式,各段全显示 ·延时5s ·写入0F00H,退出测试,进入正常方式 显示驱动程序