由AD693构成的PRTD温度/电流(T/I)转换电路

📅 发布时间:2013-09-25 08:00 👁️ 浏览:1 🏷️ 标签: PRTD 693 AD 温度

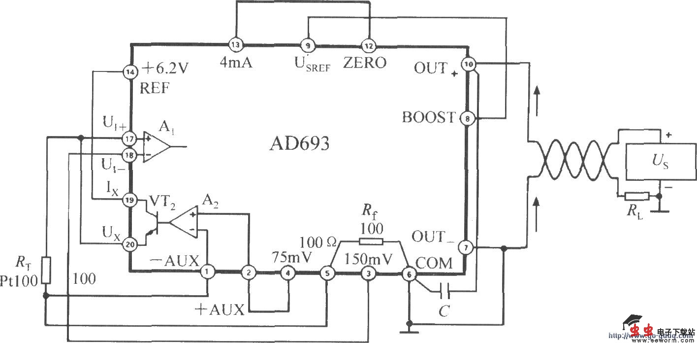
铂热电阻是常用的测温传感器,其电阻值RT与温度呈线性关系。AD693带Pt100型铂热电阻接口,能直接配置成PRTD信号调理器,电路如图所示。Pt100在0℃时的电阻值为100Ω,单位温度下的电阻变化率TCR=0.00385Ω/Ω/℃。该电阻能将0~ 104℃范围内的温度转换成4~20mA的电流,完成温度/电流(T/I)转换。AD693可设定6种不同的测温范围,以满足不同用户的需要。

由多功能传感信号调理器AD693构成的PRTD信号调理器电路 

觉得这篇文章有帮助吗?