CY6940系列2.4 GHz无线USB接口

📅 发布时间:2013-09-29 16:30 👁️ 浏览:1 🏷️ 标签: 6940 2.4 GHz USB

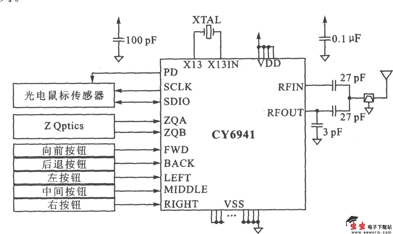
CY6940系列(CY6941/CY6942/CY6943)是由收发器和基带控制器组成的无线USB接口,是专为2.4 GHz短距离无线连接所需要的输入装置而设计的。它适合在PC、膝上型电脑以及需要使用UBS接口的装置上应用,如键盘、操纵杆、光电或机械鼠标、模拟或数字游戏操作杆、通用异步收发报机或SPl接口等设备。 主要技术特点如下: ·工作频率为2.4~2.483 GHz; ·可用信道数为79个; ·发射功率为-20~ 4 dBm; ·接收灵敏度为-78 dBm(10-3误码率); ·接收发射距离为l0 m以上; ·安全性能为l28位以上编密码; ·工作电压为2.7~3.6 V; ·待机电流小于10μA; ·封装形式为l0mm×10 mm×1.2 mm fBGA,64或81球状; ·双向通信,可驱动6个以上外围设备; ·没有外部电感或不平衡变压器。

 

CY6941用于鼠标的应用电路

 

CY6942用于键盘的应用电路

 

CY6943用于PC机的应用电路框圈

觉得这篇文章有帮助吗?